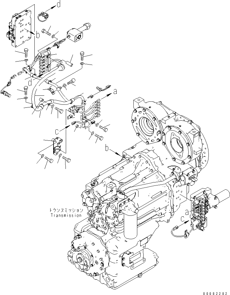
Запчасти Komatsu WA480-6 ТРАНСМИССИЯ (ОНОСЯЩИЕСЯ К НЕЙ ЧАСТИ)(/)(№9-) СИЛОВАЯ ПЕРЕДАЧА

Схема запчастей Komatsu WA480-6 - ТРАНСМИССИЯ (ОНОСЯЩИЕСЯ К НЕЙ ЧАСТИ)(/)(№9-) СИЛОВАЯ ПЕРЕДАЧА
1
2
3
3
4
5
6
7
8
8
8
8
8
9
9
9
9
9
10
11
12
13
14
15
16
16
17
18
19
20
21
22
23
24
25
26
FIT
1:1
100%

Артикул

Название

Примечание

Количество

|$1

714-07-40000

TRANSMISSION ASS'Y

SN: 90001-UP

1шт.

|$$2

THIS ASSEMBLY CONSISTS OF ALL PARTS SHOWN IN FIGS.F4350-51A0A TO F4350-65A0A AND F4350-66A0 TO F4350-70A0.

-1шт.

1

714-07-45812

WIRING HARNESS

SN: 90001-UP

1шт.

2

21J-06-13661

DIODE

SN: 90001-UP

1шт.

3

600-051-2180

CLIP

SN: 90001-UP

2шт.

4

600-051-2260

CLIP

SN: 90001-UP

1шт.

5

714-12-38760

BRACKET

SN: 90001-UP

1шт.

6

23B-40-43210

CLIP

SN: 90001-UP

1шт.

7

07095-20523

CUSHION

SN: 90001-UP

1шт.

8

01010-81020

BOLT

SN: 90001-UP

7шт.

9

01643-31032

WASHER

SN: 90001-UP

7шт.

10

01010-81030

BOLT

SN: 90001-UP

2шт.

11

01643-31032

WASHER

SN: 90001-UP

2шт.

12

560-43-15220

WASHER

SN: 90001-UP

2шт.

13

01010-81045

BOLT

SN: 90001-UP

1шт.

14

01643-31032

WASHER

SN: 90001-UP

1шт.

15

144-874-7470

BOSS

SN: 90001-UP

1шт.

16

600-051-2190

CLIP

SN: 90001-UP

3шт.

17

600-051-2200

CLIP

SN: 90001-UP

1шт.

18

714-07-45851

BRACKET

SN: 90001-UP

1шт.

19

01010-81020

BOLT

SN: 90001-UP

1шт.

20

01643-31032

WASHER

SN: 90001-UP

1шт.

21

01010-81045

BOLT

SN: 90001-UP

1шт.

22

01643-31032

WASHER

SN: 90001-UP

1шт.

23

600-051-2160

CLIP

SN: 90001-UP

1шт.

24

6150-81-6940

SPACER

SN: 90001-UP

1шт.

25

01010-81075

BOLT

SN: 90001-UP

1шт.

26

01643-31032

WASHER

SN: 90001-UP

1шт.

Выбрано товаров: 28