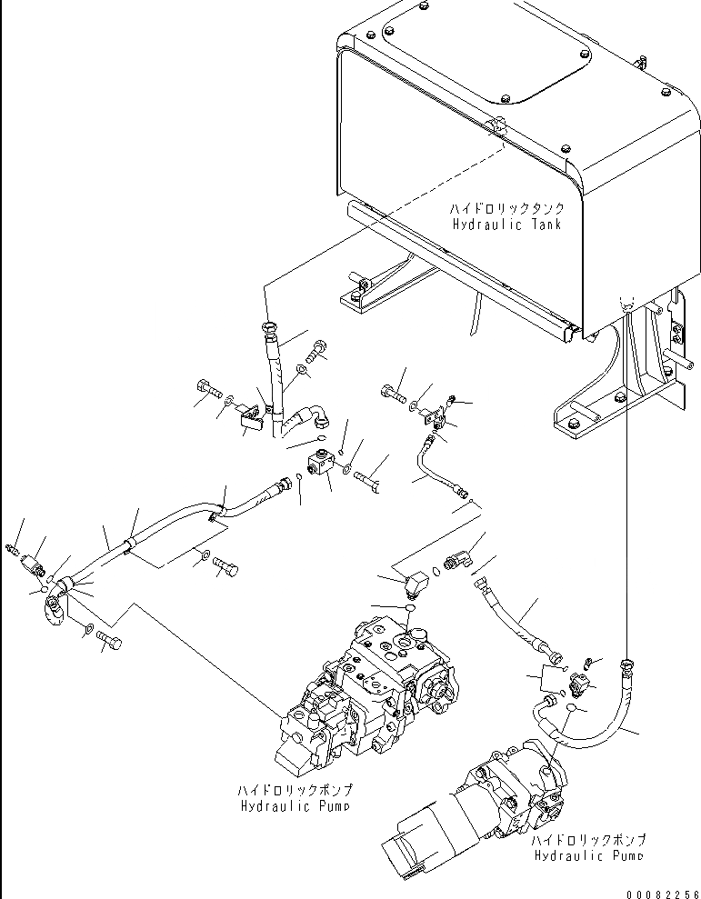
Запчасти Komatsu WA480-6 ГИДР. НАСОС. (ВОЗВРАТН. ЛИНИЯ)(№9-) ГИДРАВЛИКА
1
2
3
4
5
6
7
8
9
10
11
12
13
13
14
15
16
17
18
19
20
21
22
23
23
24
25
26
27
28
29
30
31
32
33
34
35
36
37
38
39
40
41
FIT
1:1
100%
№
Артикул
Название
Примечание
Количество
2
421-62-43990
TEE
SN: 85001-UP
1шт.
9
421-62-46710
ELBOW
SN: 90001-UP
1шт.
11
421-62-45540
JOINT
SN: 90001-UP
1шт.
16
421-62-42730
ELBOW
SN: 85001-UP
1шт.
26
421-62-41470
BLOCK
SN: 85001-UP
1шт.
39
421-62-41560
BRACKET
SN: 90001-UP
1шт.
Выбрано товаров: 41