Запчасти Komatsu WA480-6 ГИДР. НАСОС. (ВЕНТИЛЯТОР ЛИНИЯ) (/)(№8-) ГИДРАВЛИКА

Схема запчастей Komatsu WA480-6 - ГИДР. НАСОС. (ВЕНТИЛЯТОР ЛИНИЯ) (/)(№8-) ГИДРАВЛИКА
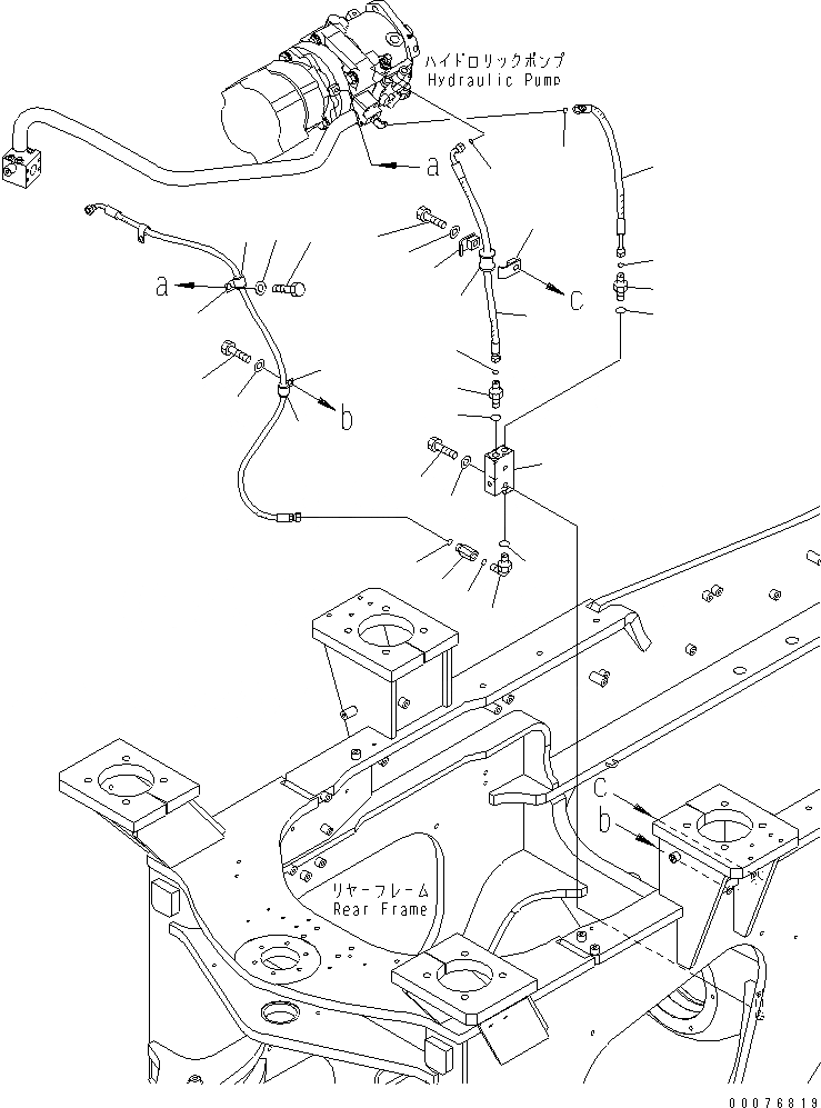
1
2
3
4
5
6
7
8
9
9
10
10
11
11
12
13
14
15
16
17
18
19
20
21
21
22
23
24
25
26
26
FIT
1:1
100%

Артикул

Название

Примечание

Количество

1

07095-20213

CUSHION

SN: 85255-UP

1шт.

2

04434-51912

CLIP

SN: 85255-UP

1шт.

3

01010-81020

BOLT

SN: 85255-UP

1шт.

4

01643-31032

WASHER

SN: 85255-UP

1шт.

5

04434-51912

CLIP

SN: 85255-UP

1шт.

6

07095-20213

CUSHION

SN: 85255-UP

1шт.

7

01010-81020

BOLT

SN: 85255-UP

1шт.

8

01643-31032

WASHER

SN: 85255-UP

1шт.

9

02781-0021D

UNION

SN: 85255-UP

2шт.

10

07002-11423

O-RING

SN: 85255-UP

2шт.

11

02896-11008

O-RING

SN: 85255-UP

2шт.

12

02782-10210

ELBOW

SN: 85255-UP

1шт.

13

07002-11423

O-RING

SN: 85255-UP

1шт.

14

02896-11008

O-RING

SN: 85255-UP

1шт.

15

419-43-37570

UNION

SN: 85255-UP

1шт.

16

02896-11008

O-RING

SN: 85255-UP

1шт.

17

708-1W-03940

BLOCK

SN: 85255-UP

1шт.

18

01010-81050

BOLT

SN: 85255-UP

2шт.

19

01643-31032

WASHER

SN: 85255-UP

2шт.

20

421-62-42850

HOSE

SN: 85255-UP

1шт.

21

07094-10315

CLAMP

SN: 85255-UP

2шт.

22

07095-00314

CUSHION

SN: 85255-UP

1шт.

23

01010-81260

BOLT

SN: 85255-UP

1шт.

24

01643-31232

WASHER

SN: 85255-UP

1шт.

25

421-62-42861

HOSE

SN: 85255-UP

1шт.

26

02896-11008

O-RING

SN: 85255-UP

1шт.

Выбрано товаров: 26