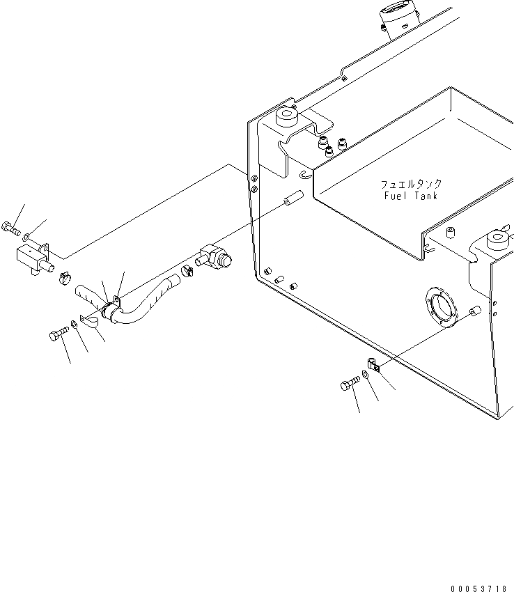
Запчасти Komatsu WA480-6 ТОПЛИВН. БАК. (КРЕПЛЕНИЕ)(№8-) ТОПЛИВН. БАК. AND КОМПОНЕНТЫ

Схема запчастей Komatsu WA480-6 - ТОПЛИВН. БАК. (КРЕПЛЕНИЕ)(№8-) ТОПЛИВН. БАК. AND КОМПОНЕНТЫ
1
2
3
4
5
6
7
8
9
10
FIT
1:1
100%

Артикул

Название

Примечание

Количество

1

04434-51910

CLIP

SN: 85001-UP

1шт.

2

01010-81016

BOLT

SN: 85001-UP

1шт.

3

01643-31032

WASHER

SN: 85001-UP

1шт.

4

04434-52312

CLIP

SN: 85001-UP

1шт.

5

208-06-19170

CLIP

SN: 85001-UP

1шт.

6

07095-00630

CUSHION

SN: 85001-UP

1шт.

7

01010-81016

BOLT

SN: 85001-UP

1шт.

8

01643-31032

WASHER

SN: 85001-UP

1шт.

9

01010-D1025

BOLT

SN: 85001-UP

2шт.

10

01643-71032

WASHER

SN: 85001-UP

2шт.

Выбрано товаров: 10