Запчасти Komatsu WA480-6 ТОРМОЗНАЯ ГИДРОЛИНИЯ (ЗАДН. МОСТ ТРУБЫ)(№9-) КАБИНА ОПЕРАТОРА И СИСТЕМА УПРАВЛЕНИЯ

Схема запчастей Komatsu WA480-6 - ТОРМОЗНАЯ ГИДРОЛИНИЯ (ЗАДН. МОСТ ТРУБЫ)(№9-) КАБИНА ОПЕРАТОРА И СИСТЕМА УПРАВЛЕНИЯ
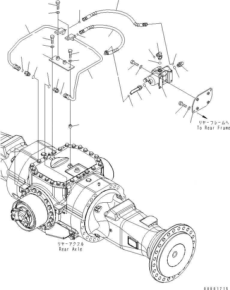
1
2
3
4
5
6
7
8
9
10
11
12
13
14
15
16
17
18
19
20
21
22
23
24
25
25
25
25
26
27
28
29
30
31
32
FIT
1:1
100%

Артикул

Название

Примечание

Количество

1

02753-203A7

HOSE

SN: 85001-UP

1шт.

2

02782-10422

ELBOW

SN: 85001-UP

1шт.

3

07002-12034

O-RING

SN: 85001-UP

1шт.

4

02896-11012

O-RING

SN: 85001-UP

1шт.

5

421-43-47620

TUBE

SN: 90001-UP

1шт.

6

02781-00422

UNION

SN: 85001-UP

1шт.

7

07002-12034

O-RING

SN: 85001-UP

1шт.

8

02896-11012

O-RING

SN: 85001-UP

1шт.

9

421-43-47630

TUBE

SN: 90001-UP

1шт.

10

02781-00422

UNION

SN: 85001-UP

1шт.

11

07002-12034

O-RING

SN: 85001-UP

1шт.

12

02896-11012

O-RING

SN: 85001-UP

1шт.

13

421-43-47510

PLATE

SN: 85001-UP

1шт.

14

01010-81025

BOLT

SN: 85001-UP

2шт.

15

01643-31032

WASHER

SN: 85001-UP

2шт.

16

421-35-45200

VALVE

SN: 90001-UP

1шт.

17

01010-81025

BOLT

SN: 85001-UP

4шт.

18

01643-31032

WASHER

SN: 85001-UP

4шт.

19

02782-10315

ELBOW

SN: 85001-UP

1шт.

20

07002-12034

O-RING

SN: 85001-UP

1шт.

21

421-43-47260

HOSE

SN: 85001-UP

1шт.

22

01010-81025

BOLT

SN: 85001-UP

2шт.

23

01643-31032

WASHER

SN: 85001-UP

2шт.

24

02782-10317

ELBOW

SN: 85001-UP

1шт.

25

02896-11009

O-RING

SN: 85001-UP

4шт.

26

07002-12034

O-RING

SN: 85001-UP

1шт.

27

421-43-47640

PLATE

SN: 90001-UP

1шт.

28

418-09-11130

SPACER

SN: 90001-UP

1шт.

29

01010-81025

BOLT

SN: 90001-UP

1шт.

30

01643-31032

WASHER

SN: 90001-UP

1шт.

31

01010-81040

BOLT

SN: 90001-UP

1шт.

32

01643-31032

WASHER

SN: 90001-UP

1шт.

Выбрано товаров: 32