/ / / / / / ПРОТИВОВЕС (С ДОПОЛН. ВЕС) (ДЛЯ КРОМЕ ЯПОН.)(№8-9)
Запчасти Komatsu WA480-6 ПРОТИВОВЕС (С ДОПОЛН. ВЕС) (ДЛЯ КРОМЕ ЯПОН.)(№8-9) ЧАСТИ КОРПУСА
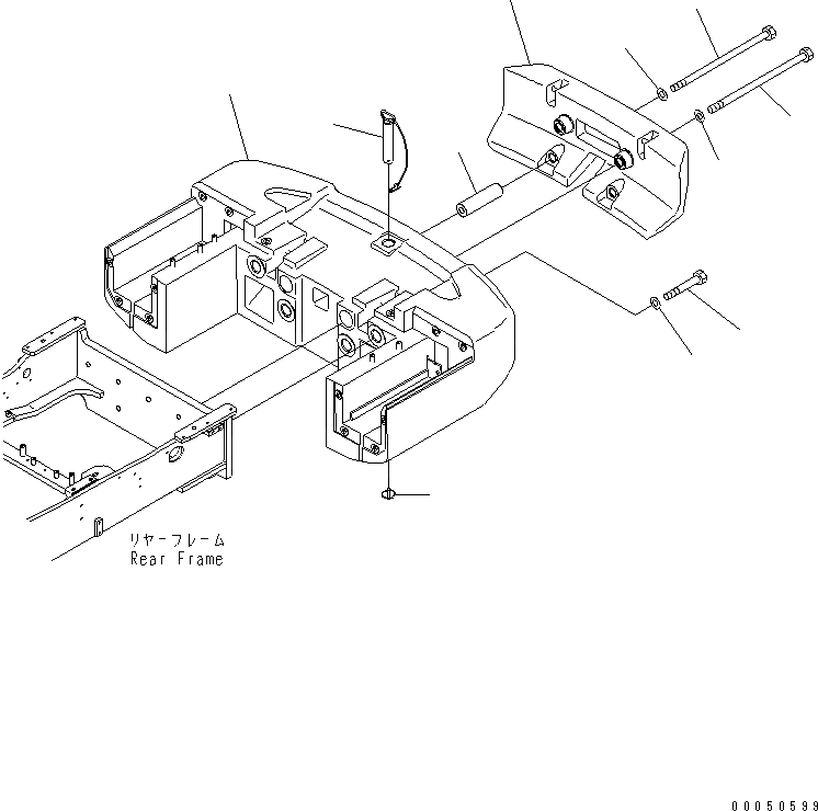
1
2
3
4
5
5
6
7
8
9
10
1
421-46-45280
COUNTERWEIGHT
SN: 85001-90000
1шт.
2
01643-33080
WASHER
SN: 85001-@
2шт.
3
207-46-53140
BOLT
SN: 85001-@
2шт.
4
421-975-4230
BOLT
SN: 85001-@
2шт.
5
01643-33080
WASHER
SN: 85001-@
4шт.
6
421-975-4170
SPACER
SN: 85001-@
2шт.
7
421-975-4240
BOLT
SN: 85001-@
2шт.
8
423-46-45121
PIN
SN: 85001-@
1шт.
8
09245-04875
CHAIN
SN: 85001-@
1шт.
8
09245-50060
HOOK
SN: 85001-@
3шт.
9
426-46-12280
PIN
SN: 85001-@
1шт.
10
421-975-4150
COUNTERWEIGHT
SN: 85001-@
1шт.
Выбрано товаров: 0