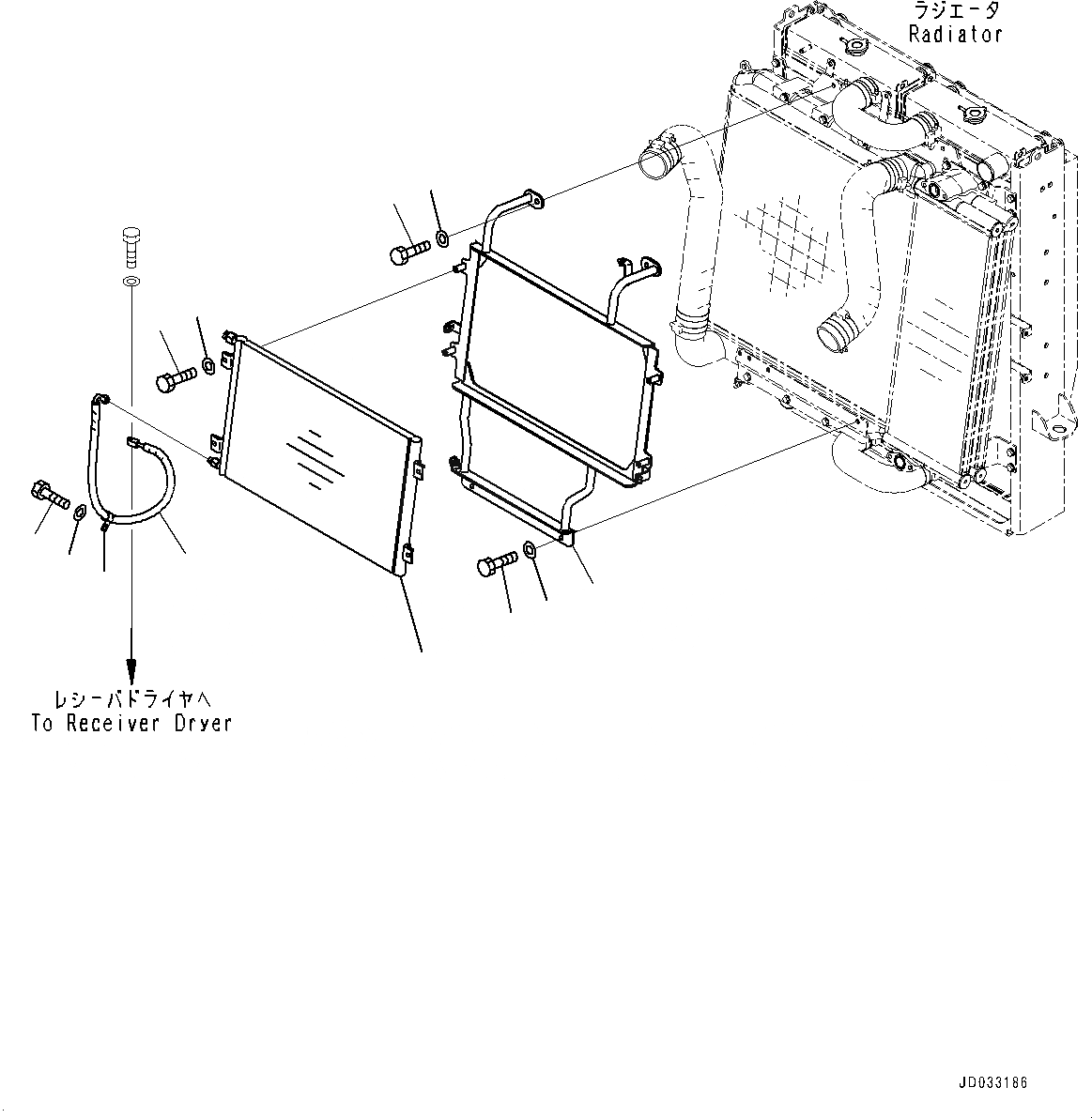
Запчасти Komatsu WA480-6 РАДИАТОР, КОНДЕНСАТОР (№9-) РАДИАТОР, С КОНДИЦИОНЕРОМ

Схема запчастей Komatsu WA480-6 - РАДИАТОР, КОНДЕНСАТОР (№9-) РАДИАТОР, С КОНДИЦИОНЕРОМ
9
10
4
1
6
7
8
5
2
3
2
3
FIT
1:1
100%

Артикул

Название

Примечание

Количество

1

421-S62-4120

Condenser

SN: 90216-UP

1шт.

1

AN51439-D0031

O-ring

SN: 90216-UP

2шт.

2

01010-80816

Bolt

SN: 90216-UP

4шт.

3

01643-30823

Washer

SN: 90216-UP

4шт.

4

421-S62-4110

Bracket

SN: 90216-UP

1шт.

5

01010-81025

Bolt

SN: 90216-UP

4шт.

6

01643-31032

Washer

SN: 90216-UP

4шт.

7

421-S62-4160

Hose

SN: 90216-UP

1шт.

8

04434-51910

Clip

SN: 90216-UP

1шт.

9

01010-81020

Bolt

SN: 90216-UP

1шт.

10

01643-31032

Washer

SN: 90216-UP

1шт.

Выбрано товаров: 0