Запчасти Komatsu WA480-6 ГИДР. ПРОВОД. ОБОГРЕВАТЕЛЯ, ПЕРЕДН. (№9-) ГИДР. ПРОВОД. ОБОГРЕВАТЕЛЯ

Схема запчастей Komatsu WA480-6 - ГИДР. ПРОВОД. ОБОГРЕВАТЕЛЯ, ПЕРЕДН. (№9-) ГИДР. ПРОВОД. ОБОГРЕВАТЕЛЯ
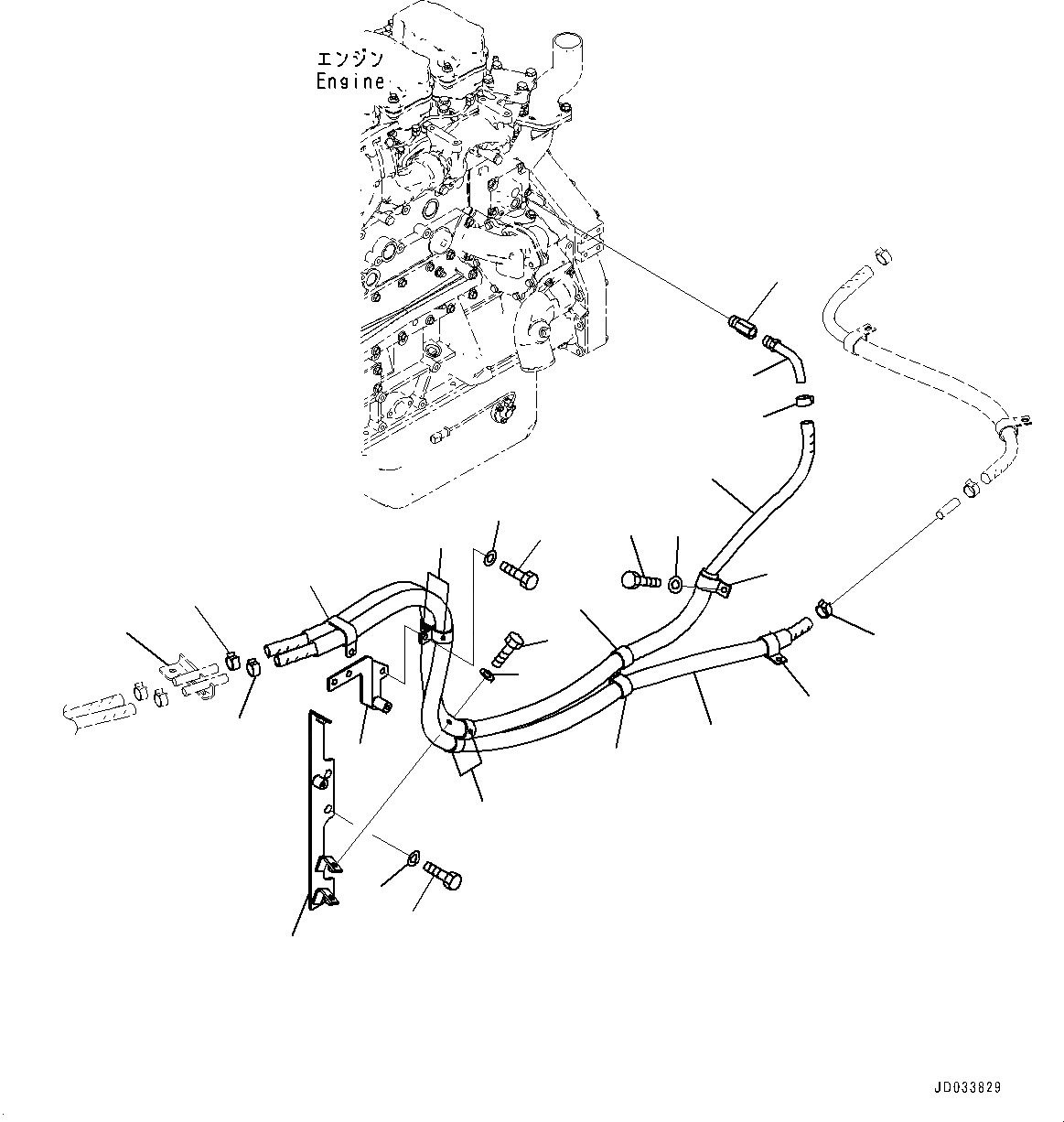
1
2
3
4
5
6
7
8
9
10
13
14
15
16
17
10
10
10
14
15
10
6
3
11
12
18
FIT
1:1
100%

Артикул

Название

Примечание

Количество

1

421-07-41140

Hose

SN: 90216-UP

1шт.

2

421-07-41150

Hose

SN: 90216-UP

1шт.

3

09479-02400

Clip

SN: 90216-UP

2шт.

4

424-07-11360

Elbow

SN: 90216-UP

1шт.

5

281-81-12930

Joint

SN: 90216-UP

1шт.

6

09479-02400

Clip

SN: 90216-UP

2шт.

7

421-07-41160

Bracket

SN: 90216-UP

1шт.

8

01010-81430

Bolt

SN: 90216-UP

2шт.

9

01643-31445

Washer, Flat

SN: 90216-UP

2шт.

10

04434-53411

Clip

SN: 90216-UP

6шт.

11

176-911-4220

Clip

SN: 90216-UP

1шт.

12

04434-53411

Clip

SN: 90216-UP

2шт.

13

421-07-41170

Bracket

SN: 90216-UP

1шт.

14

01010-81025

Bolt

SN: 90216-UP

6шт.

15

01643-31032

Washer

SN: 90216-UP

6шт.

16

01010-81020

Bolt

SN: 90216-UP

1шт.

17

01643-31032

Washer

SN: 90216-UP

1шт.

18

421-07-41240

Bracket

SN: UP

-1шт.

Выбрано товаров: 0