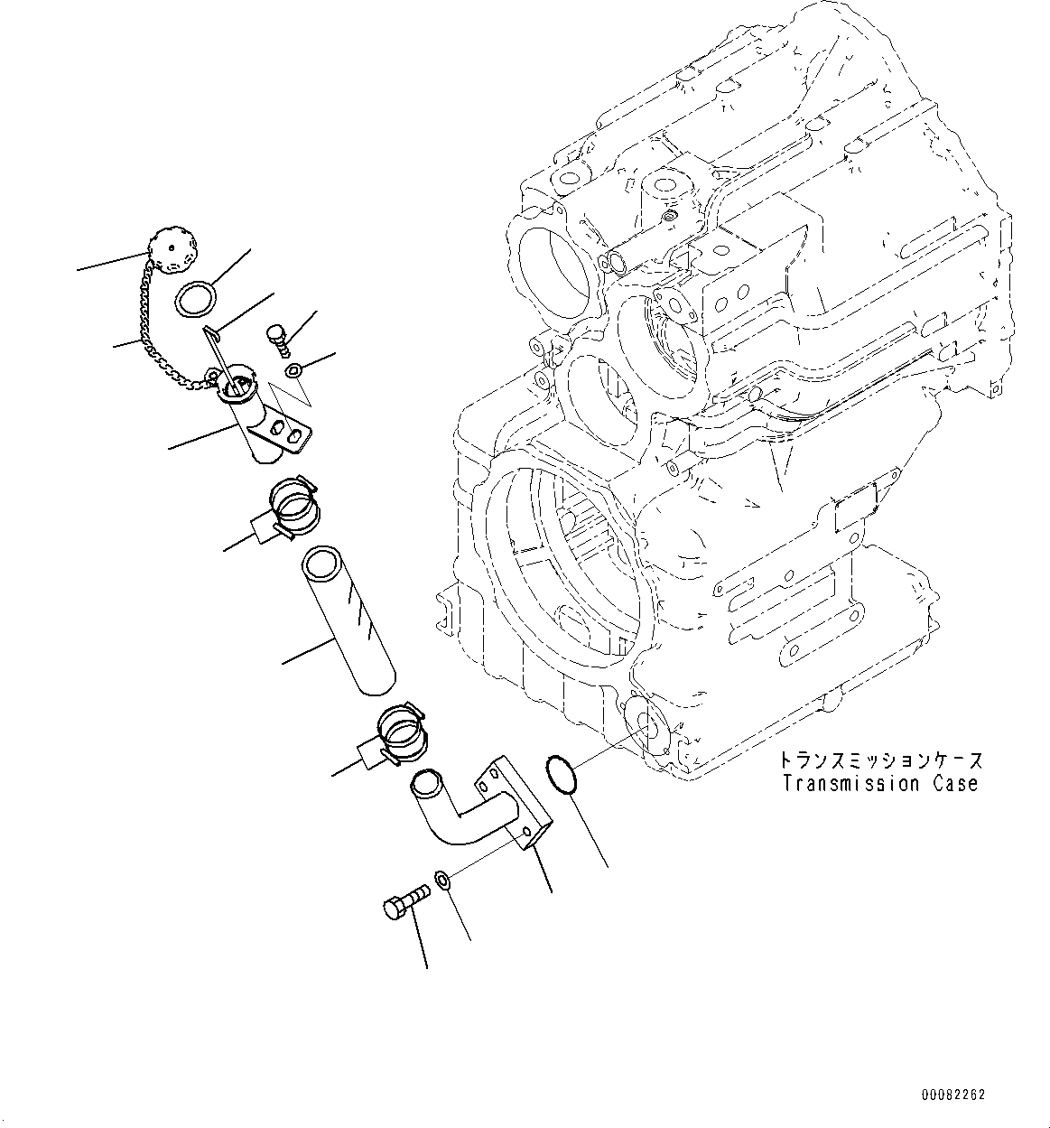
Запчасти Komatsu WA480-6 ГИДРОТРАНСФОРМАТОР И ТРАНСМИССИЯ, НАПОЛНИТЕЛЬ ТРУБКА (№9-) ГИДРОТРАНСФОРМАТОР И ТРАНСМИССИЯ, С БЛОКИР.UP ТИП

Схема запчастей Komatsu WA480-6 - ГИДРОТРАНСФОРМАТОР И ТРАНСМИССИЯ, НАПОЛНИТЕЛЬ ТРУБКА (№9-) ГИДРОТРАНСФОРМАТОР И ТРАНСМИССИЯ, С БЛОКИР.UP ТИП
2
3
4
5
12
8
13
6
7
1
11
11
10
9
FIT
1:1
100%

Артикул

Название

Примечание

Количество

1

421-18-42170

Tube

SN: 90216-UP

1шт.

2

6136-21-7120

Cap Assembly

SN: 90216-UP

1шт.

3

6136-21-7180

Gasket

SN: 90216-UP

1шт.

4

6136-21-7190

Chain

SN: 90216-UP

1шт.

5

421-18-42140

Gauge

SN: 90216-UP

1шт.

6

07000-72055

O-ring

SN: 90216-UP

1шт.

7

07372-21245

Bolt

SN: 90216-UP

3шт.

8

01643-51232

Washer

SN: 90216-UP

3шт.

9

421-18-42160

Tube

SN: 90216-UP

1шт.

10

07260-04136

Hose

SN: 90216-UP

1шт.

11

07289-00055

Clamp

SN: 90216-UP

4шт.

12

01010-81225

Bolt

SN: 90216-UP

2шт.

13

01643-31232

Washer

SN: 90216-UP

2шт.

Выбрано товаров: 0