Запчасти Komatsu WA480-6 КАБИНА ROPS, КОЗЫРЕК (№9-) КАБИНА ROPS, MONOCOQUE ТИП, С АВТОМАТИЧ. КОНДИЦ. ВОЗДУХА

Схема запчастей Komatsu WA480-6 - КАБИНА ROPS, КОЗЫРЕК (№9-) КАБИНА ROPS, MONOCOQUE ТИП, С АВТОМАТИЧ. КОНДИЦ. ВОЗДУХА
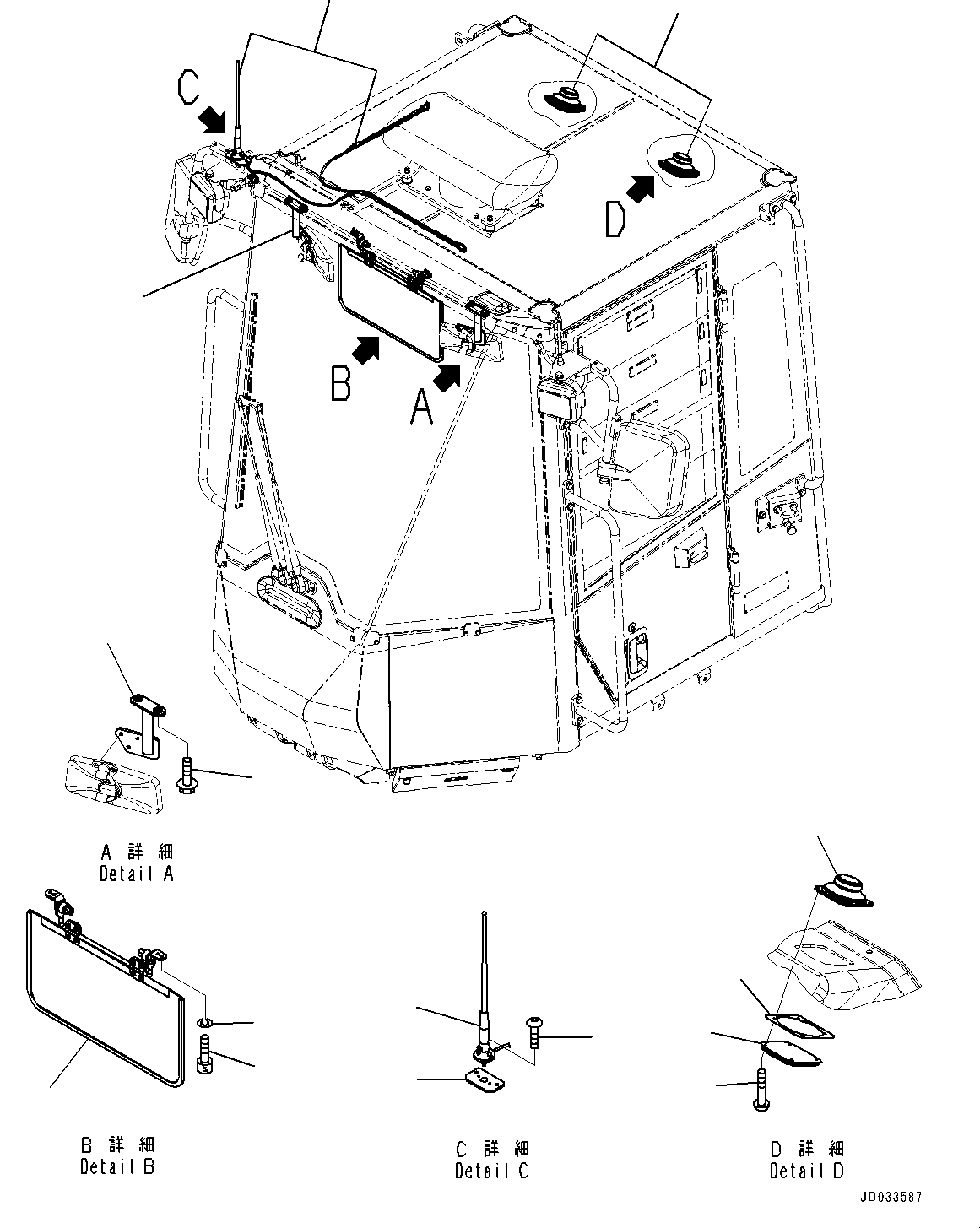
1
3
4
5
6
11
12
13
10
8
7
9
10
2
7
FIT
1:1
100%

Артикул

Название

Примечание

Количество

1

423-925-4641

Stay,L.H.

SN: 90216-UP

1шт.

2

423-925-4651

Stay,R.H.

SN: 90216-UP

1шт.

3

01435-40620

Bolt

SN: 90216-UP

4шт.

4

425-925-3281

Sunvisor

SN: 90216-UP

1шт.

5

01252-80520

Bolt, Hexagon Socket Head

SN: 90216-UP

4шт.

6

01601-50513

Washer, Spring

SN: 90216-UP

4шт.

7

20Y-06-41990

Antenna

SN: 90216-UP

1шт.

8

416-926-3494

Bracket

SN: 90955-UP

1шт.

8

416-926-3493

Bracket

SN: 90216-90954

1шт.

9

01023-20416

Screw

SN: 90216-UP

2шт.

10

20Y-06-42180

Speaker

SN: 90216-UP

2шт.

11

418-967-2150

Cover

SN: 90216-UP

2шт.

12

418-967-2230

Plate

SN: 90216-UP

2шт.

13

01220-40420

Screw, Philips Head

SN: 90216-UP

8шт.

Выбрано товаров: 14