Запчасти Komatsu WA480-6 ГИДРАВЛ МАСЛ. УПРАВЛЯЮЩ. КЛАПАН, ПАТРУБОК (/) (№9-) ГИДРАВЛ МАСЛ. УПРАВЛЯЮЩ. КЛАПАН, С 3-Х СЕКЦ. КОНТР. КЛАПАНОМ, ECSS

Схема запчастей Komatsu WA480-6 - ГИДРАВЛ МАСЛ. УПРАВЛЯЮЩ. КЛАПАН, ПАТРУБОК (/) (№9-) ГИДРАВЛ МАСЛ. УПРАВЛЯЮЩ. КЛАПАН, С 3-Х СЕКЦ. КОНТР. КЛАПАНОМ, ECSS
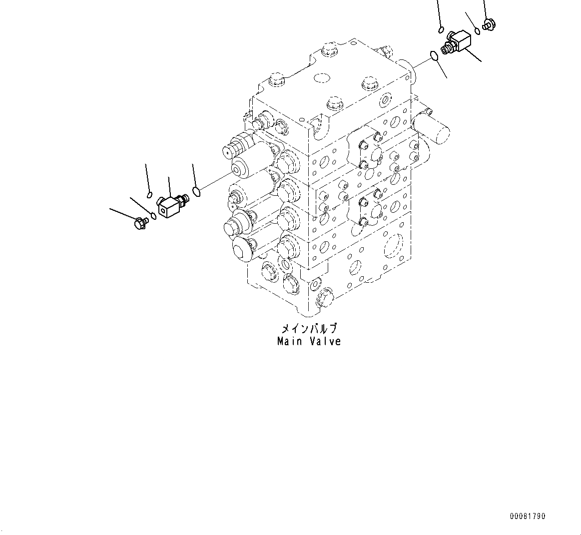
1
2
3
1
2
3
4
5
5
4
FIT
1:1
100%

Артикул

Название

Примечание

Количество

1

423-62-34290

Elbow

SN: 90216-UP

2шт.

2

07002-11423

O-ring

SN: 90216-UP

2шт.

3

423-62-52290

Plug

SN: 90648-UP

2шт.

3

708-8E-16150

Plug

SN: 90216-90647

2шт.

4

02896-11009

O-ring

SN: 90216-UP

2шт.

5

07002-11023

O-ring

SN: 90216-UP

2шт.

Выбрано товаров: 6