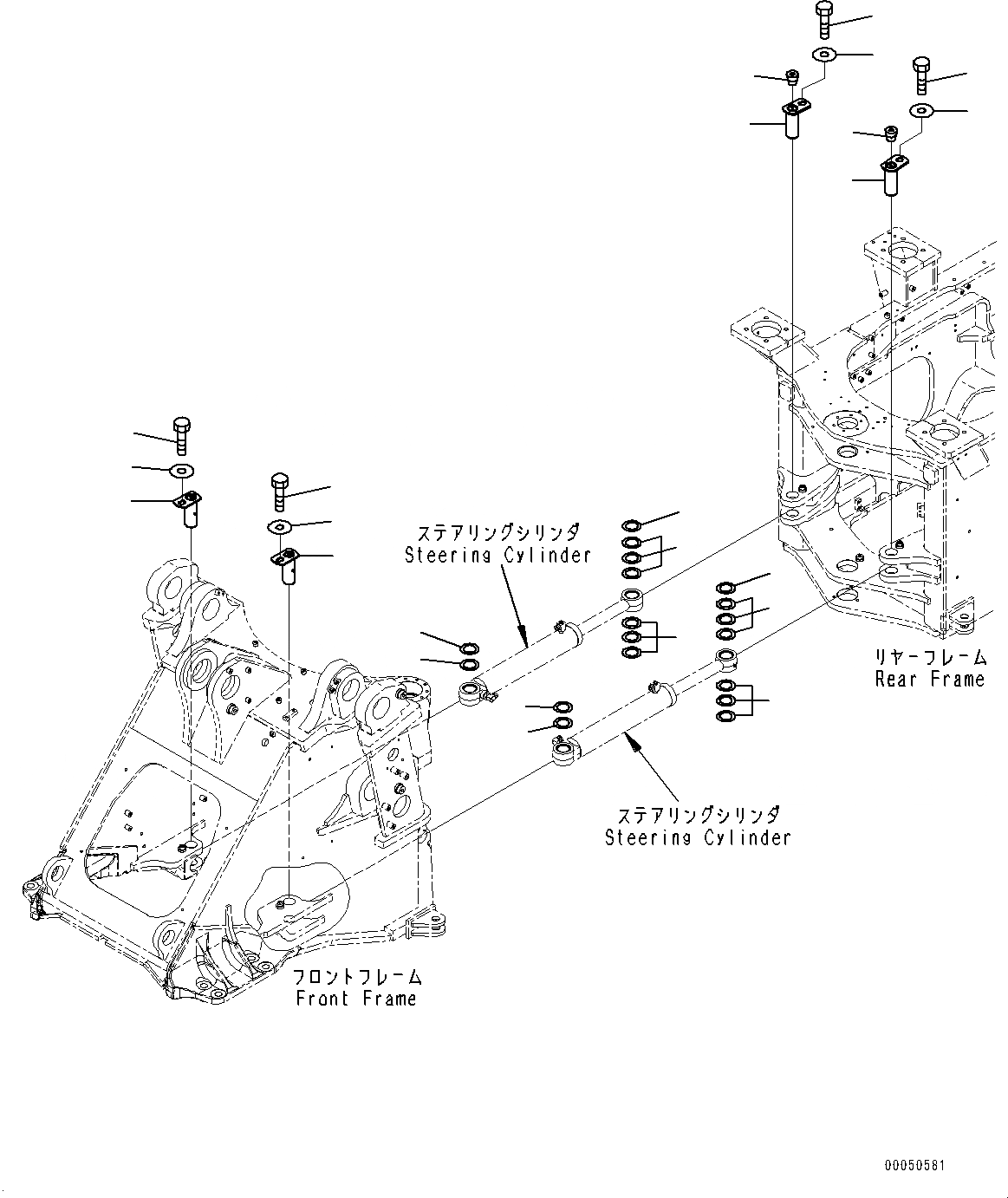
Запчасти Komatsu WA480-6 ЦИЛИНДР РУЛЕВ. УПР-Я, ПАЛЕЦ (№9-) ЦИЛИНДР РУЛЕВ. УПР-Я

Схема запчастей Komatsu WA480-6 - ЦИЛИНДР РУЛЕВ. УПР-Я, ПАЛЕЦ (№9-) ЦИЛИНДР РУЛЕВ. УПР-Я
5
1
4
2
5
4
6
7
6
7
6
7
6
6
7
6
2
3
5
4
4
5
3
1
FIT
1:1
100%

Артикул

Название

Примечание

Количество

1

421-46-21760

Pin

SN: 90216-UP

2шт.

2

421-46-21760

Pin

SN: 90216-UP

2шт.

3

07043-A0108

Plug

SN: 90216-UP

2шт.

4

01010-81220

Bolt

SN: 90216-UP

4шт.

5

175-54-34170

Washer

SN: 90216-UP

4шт.

6

421-46-11771

Shim, T=1.0mm

SN: 90216-UP

14шт.

7

421-46-11781

Shim, T=0.5mm

SN: 90216-UP

4шт.

Выбрано товаров: 0