Запчасти Komatsu WA480-6 СОЧЛ. СОЕД. БЛОКИР. BAR И РАМА COVER, ПЕРЕДН. КРЫШКА(№9-) СОЧЛ. СОЕД. БЛОКИР. BAR И РАМА COVER, С 3-Х СЕКЦ. КОНТР. КЛАПАНОМ, СИЛОВАЯ ПЕРЕДАЧА ЧАСТИ КОРПУСА

Схема запчастей Komatsu WA480-6 - СОЧЛ. СОЕД. БЛОКИР. BAR И РАМА COVER, ПЕРЕДН. КРЫШКА(№9-) СОЧЛ. СОЕД. БЛОКИР. BAR И РАМА COVER, С 3-Х СЕКЦ. КОНТР. КЛАПАНОМ, СИЛОВАЯ ПЕРЕДАЧА ЧАСТИ КОРПУСА
2
3
3
2
1
4
5
11
10
9
8
7
6
FIT
1:1
100%

Артикул

Название

Примечание

Количество

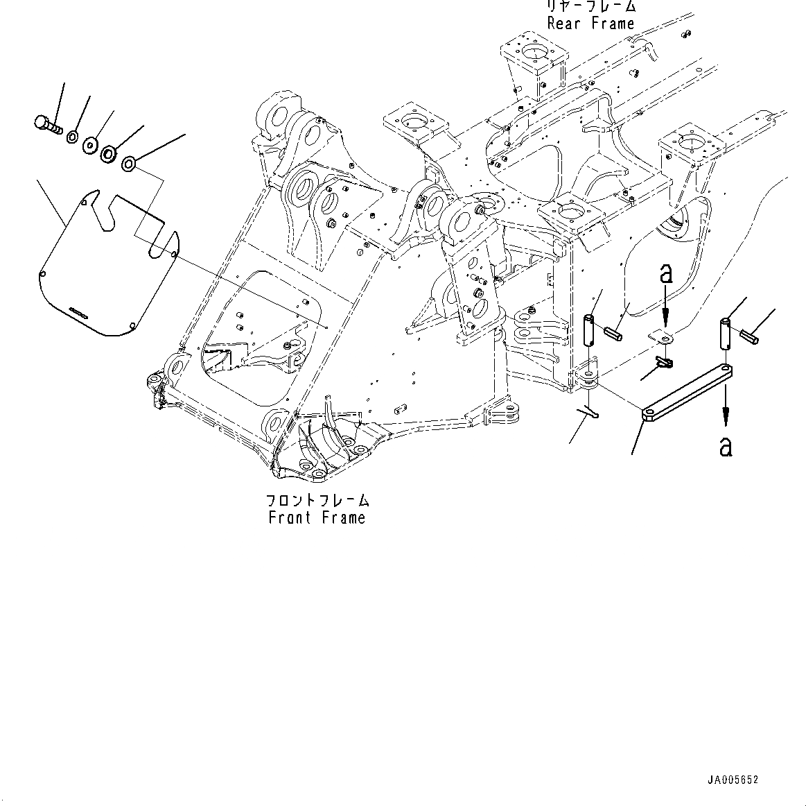
1

421-46-12920

Bar, Lock

SN: 90216-UP

1шт.

2

421-46-12721

Pin

SN: 90216-UP

2шт.

3

04025-01065

Pin, Spring

SN: 90216-UP

1шт.

4

04050-10060

Pin, Cotter

SN: 90216-UP

1шт.

5

421-46-12740

Pin, Linch

SN: 90216-UP

1шт.

6

421-877-4540

Cover

SN: 90216-UP

1шт.

7

01010-D1235

Bolt

SN: 90216-UP

4шт.

8

01643-71232

Washer

SN: 90216-UP

4шт.

9

01640-22232

Washer, Flat

SN: 90216-UP

4шт.

10

415-46-11380

Rubber

SN: 90216-UP

4шт.

11

421-46-34420

Collar

SN: 90216-UP

4шт.

Выбрано товаров: 11