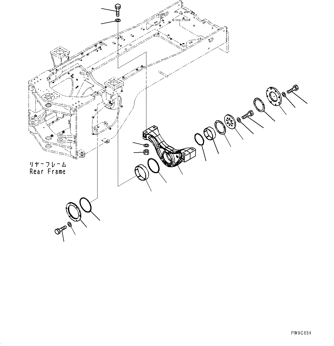
Запчасти Komatsu WA480-6 СУППОРТ ЗАДНЕГО МОСТА(№9-) ЗАДН. МОСТ СУППОРТ

Схема запчастей Komatsu WA480-6 - СУППОРТ ЗАДНЕГО МОСТА(№9-) ЗАДН. МОСТ СУППОРТ
17
18
18
19
13
14
11
16
1
3
2
4
5
7
6
4
8
10
9
12
15
FIT
1:1
100%

Артикул

Название

Примечание

Количество

1

421-46-37110

Support,Rear

SN: 90216-UP

1шт.

2

421-46-37120

Bushing, Rear

SN: 90216-UP

1шт.

3

419-46-12480

Packing

SN: 90216-UP

1шт.

4

421-46-37130

Washer, Thrust

SN: 90216-UP

2шт.

5

424-46-12221

Plate

SN: 90216-UP

1шт.

6

01010-61665

Bolt

SN: 90216-UP

8шт.

7

01643-31645

Washer

SN: 90216-UP

8шт.

8

424-46-12191

Cover

SN: 90216-UP

1шт.

9

01010-61665

Bolt

SN: 90216-UP

8шт.

10

01643-31645

Washer

SN: 90216-UP

8шт.

11

421-46-37140

Bushing,Front

SN: 90216-UP

1шт.

12

421-46-37150

Retainer,Front

SN: 90216-UP

1шт.

13

01010-81235

Bolt

SN: 90216-UP

6шт.

14

01643-31232

Washer

SN: 90216-UP

6шт.

15

421-46-37160

Packing

SN: 90216-UP

1шт.

16

421-46-37170

U-packing

SN: 90216-UP

1шт.

17

01011-62790

Bolt

SN: 90216-UP

4шт.

18

01643-32780

Washer

SN: 90216-UP

8шт.

19

01580-02722

Nut

SN: 90216-UP

4шт.

Выбрано товаров: 19