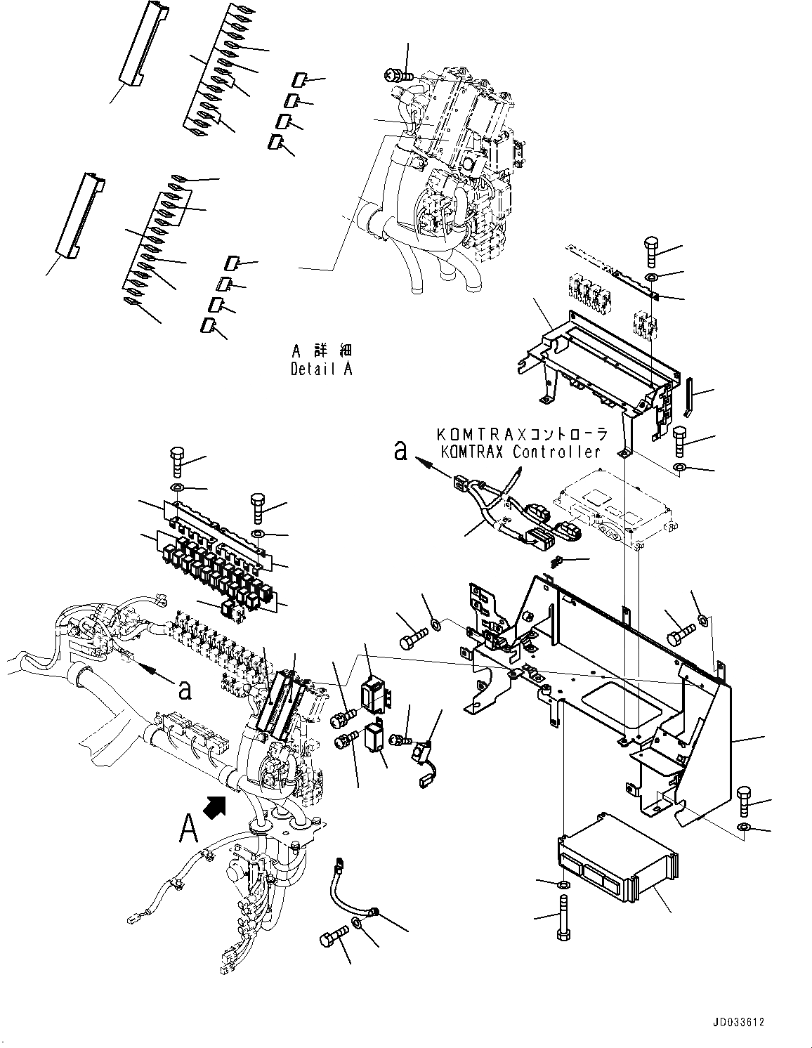
Запчасти Komatsu WA480-6 КАБИНА ROPS, ЭЛЕКТРИЧ. ЧАСТИ (№9-) КАБИНА ROPS, MONOCOQUE ТИП, С КОНДИЦИОНЕРОМ

Схема запчастей Komatsu WA480-6 - КАБИНА ROPS, ЭЛЕКТРИЧ. ЧАСТИ (№9-) КАБИНА ROPS, MONOCOQUE ТИП, С КОНДИЦИОНЕРОМ
2
3
1
10
11
12
13
15
19
14
18
17
13
11
16
16
17
12
11
10
13
17
15
16
15
36
26
25
24
23
9
8
7
6
24
25
24
25
20
21
22
32
33
18
14
5
4
3
2
1
4
1
3
2
27
28
29
35
34
31
30
FIT
1:1
100%

Артикул

Название

Примечание

Количество

1

569-06-61180

Bracket

SN: 90216-UP

5шт.

2

01010-80616

Bolt

SN: 90216-UP

6шт.

3

01643-30623

Washer

SN: 90216-UP

6шт.

4

569-06-61960

Relay

SN: 90216-UP

20шт.

5

569-06-61970

Relay

SN: 90216-UP

1шт.

6

423-06-42633

Bracket

SN: 90216-UP

1шт.

7

01010-81020

Bolt

SN: 90216-UP

4шт.

8

01643-31032

Washer

SN: 90216-UP

4шт.

9

423-06-42420

Finisher

SN: 90216-UP

1шт.

10

283-06-16190

Fuse Element, 10Amp.

SN: 90216-UP

9шт.

11

22W-06-13160

Fuse, 20Amp.

SN: 90216-UP

5шт.

12

08041-03000

Fuse, 30Amp.

SN: 90216-UP

2шт.

13

08041-00500

Fuse, 5Amp.

SN: 90216-UP

3шт.

14

283-06-16120

Cover, Fuse Box 15Pole

SN: 90216-UP

1шт.

15

283-06-16190

Fuse Element, 10Amp.

SN: 90216-UP

11шт.

16

22W-06-13160

Fuse, 20Amp.

SN: 90216-UP

4шт.

17

08041-00500

Fuse, 5Amp.

SN: 90216-UP

4шт.

18

283-06-16120

Cover, Fuse Box 15Pole

SN: 90216-UP

1шт.

19

01023-60620

Screw

SN: 90216-UP

4шт.

20

7823-36-3009

Controller

SN: 90832-UP

1шт.

20

7823-36-3008

Controller

SN: 90832-90960

1шт.

20

7823-36-3007

Controller

SN: 90582-90831

1шт.

20

7823-36-3006

Controller

SN: 90299-90581

1шт.

20

7823-36-3005

Controller

SN: 90218-90298

1шт.

20

7823-36-3004

Controller

SN: 90216-90217

1шт.

21

01010-80880

Bolt

SN: 90216-UP

4шт.

22

01643-30823

Washer

SN: 90216-UP

4шт.

23

423-06-42622

Bracket

SN: 90216-UP

1шт.

24

01010-81020

Bolt

SN: 90216-UP

7шт.

25

01643-31032

Washer

SN: 90216-UP

7шт.

26

08059-00310

Clip

SN: 90216-UP

1шт.

27

08028-12025

Cable, Ground

SN: 90216-UP

1шт.

28

01010-81016

Bolt

SN: 90216-UP

2шт.

29

01643-31032

Washer

SN: 90216-UP

2шт.

30

416-06-22250

Flasher

SN: 90216-UP

1шт.

31

01023-80516

Screw

SN: 90216-UP

1шт.

32

421-06-26220

Relay

SN: 90216-UP

1шт.

33

01023-60616

Screw

SN: 90216-UP

2шт.

34

23S-05-35320

Buzzer

SN: 90216-UP

1шт.

35

01023-60412

Screw

SN: 90216-UP

2шт.

36

421-06-31410

Wiring Harness

SN: 90216-UP

1шт.

Выбрано товаров: 41