Запчасти Komatsu WA480-6 ЛЕСТНИЦА (СУППОРТ КРЕПЛЕНИЕ И COVER) ЧАСТИ КОРПУСА

Схема запчастей Komatsu WA480-6 - ЛЕСТНИЦА (СУППОРТ КРЕПЛЕНИЕ И COVER) ЧАСТИ КОРПУСА
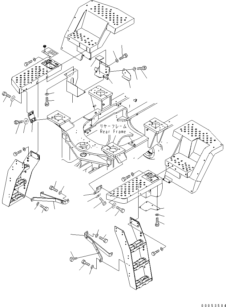
1
2
3
3
3
3
4
4
4
4
5
5
6
6
7
7
8
8
8
8
9
10
11
12
13
14
15
16
17
18
19
20
21
22
FIT
1:1
100%

Артикул

Название

Примечание

Количество

1

424-54-44963

BRACKET

SN: A38001-UP

1шт.

2

424-54-44971

BRACKET

SN: A38001-UP

1шт.

3

01010-D1230

BOLT

SN: A38001-UP

6шт.

4

01643-71232

WASHER

SN: A38001-UP

6шт.

5

421-54-44430

BRACKET

SN: A38001-UP

2шт.

6

01010-81240

BOLT

SN: A38001-UP

4шт.

7

01010-81245

BOLT

SN: A38001-UP

4шт.

8

175-54-34170

WASHER

SN: A38001-UP

8шт.

9

416-54-34230

PLUG

SN: A38001-UP

1шт.

10

421-54-44470

COVER

SN: A38001-UP

1шт.

11

01010-D1020

BOLT

SN: A38001-UP

4шт.

12

01643-71032

WASHER

SN: A38001-UP

4шт.

13

421-54-44260

PLATE

SN: A38001-UP

1шт.

14

01010-D1020

BOLT

SN: A38001-UP

5шт.

15

01643-71032

WASHER

SN: A38001-UP

5шт.

16

421-54-44491

COVER

SN: A38001-UP

1шт.

17

01010-D1020

BOLT

SN: A38001-UP

2шт.

18

01643-71032

WASHER

SN: A38001-UP

2шт.

19

424-54-44790

COVER

SN: A38001-UP

1шт.

20

01010-D1020

BOLT

SN: A38001-UP

2шт.

21

01643-71032

WASHER

SN: A38001-UP

2шт.

22

424-54-44990

SHEET

SN: A38001-UP

1шт.

Выбрано товаров: 22