Запчасти Komatsu WA480-6 ПРОТИВОВЕС (С ДОПОЛНИТ.TIONAL ВЕС) ЧАСТИ КОРПУСА

Схема запчастей Komatsu WA480-6 - ПРОТИВОВЕС (С ДОПОЛНИТ.TIONAL ВЕС) ЧАСТИ КОРПУСА
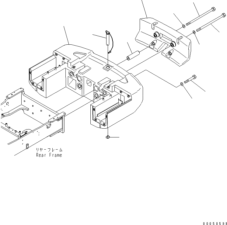
1
2
3
4
5
5
6
7
8
9
10
FIT
1:1
100%

Артикул

Название

Примечание

Количество

1

421-46-45280

COUNTER WEIGHT

SN: A38001-UP

1шт.

2

01643-33080

WASHER

SN: A38001-UP

2шт.

3

207-46-53140

BOLT

SN: A38001-UP

2шт.

4

421-975-4230

BOLT

SN: A38001-UP

2шт.

5

01643-33080

WASHER

SN: A38001-UP

4шт.

6

421-975-4170

SPACER

SN: A38001-UP

2шт.

7

421-975-4240

BOLT

SN: A38001-UP

2шт.

8

423-46-45121

PIN

SN: A38001-UP

1шт.

|8

09245-04875

CHAIN

SN: A38001-UP

1шт.

|8

09245-50060

HOOK

SN: A38001-UP

3шт.

9

426-46-12280

PIN

SN: A38001-UP

1шт.

10

421-975-4150

COUNTER WEIGHT

SN: A38001-UP

1шт.

Выбрано товаров: 12