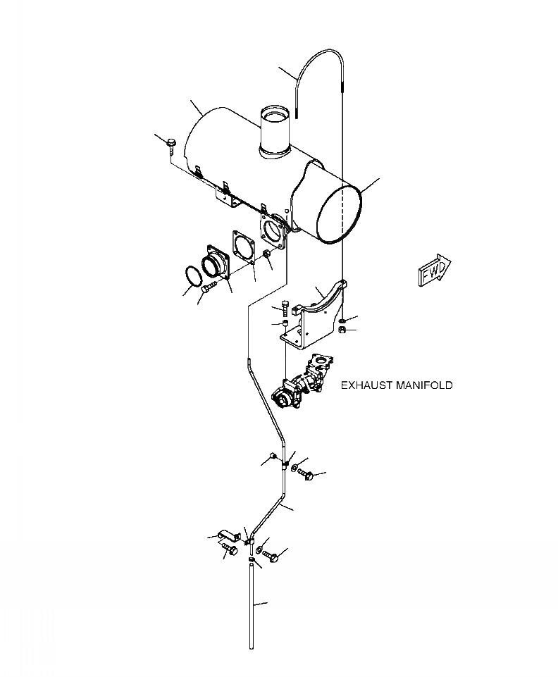
Запчасти Komatsu WA480-6 A-B7A ВЫПУСКН. ГЛУШИТЕЛЬ ДВИГАТЕЛЬ

Схема запчастей Komatsu WA480-6 - A-B7A ВЫПУСКН. ГЛУШИТЕЛЬ ДВИГАТЕЛЬ
4
7
3
1
13
8
2
14
11
9
12
6
10
5
16
20
17
18
15
16
20
21
19
22
24
23
FIT
1:1
100%

Артикул

Название

Примечание

Количество

1

6251-11-5910

MUFFLER

1шт.

2

6150-11-5751

GASKET

1шт.

3

01435-01030

BOLT

4шт.

4

6222-11-5940

U-BOLT

1шт.

5

6215-11-5740

NUT

2шт.

6

01643-31032

WASHER

2шт.

7

6251-11-5720

COVER, SHIELD

1шт.

8

6251-11-5740

BRACKET

1шт.

9

01010-E1045

BOLT

4шт.

10

6631-11-5630

SPACER

4шт.

11

6151-11-5280

RING, SEAL

1шт.

12

01050-61240

BOLT

4шт.

13

6685-11-5550

NUT

4шт.

14

6251-11-5380

JOINT

1шт.

15

6251-11-5750

TUBE, DRAIN

1шт.

16

600-051-6100

CLIP

2шт.

17

01435-01035

BOLT

1шт.

18

6631-11-5630

SPACER

1шт.

19

01435-01020

BOLT

1шт.

20

01643-31032

WASHER

2шт.

21

6251-11-5760

BRACKET

1шт.

22

01435-01030

BOLT

1шт.

23

07260-20960

HOSE

1шт.

24

07280-01920

CLAMP

1шт.

Выбрано товаров: 24