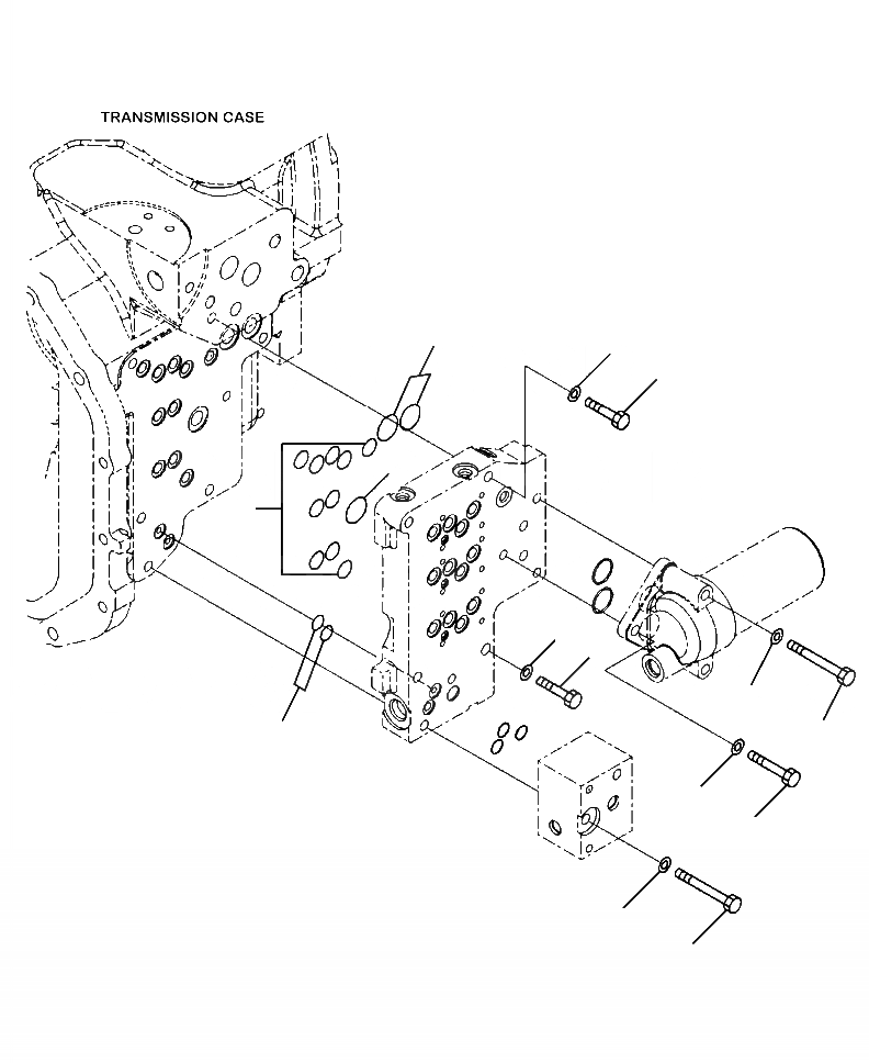
Запчасти Komatsu WA480-6 F-A ТРАНСМИССИЯ ЛЕВ. ОСНОВН. КЛАПАН (/) СИЛОВАЯ ПЕРЕДАЧА И КОНЕЧНАЯ ПЕРЕДАЧА

Схема запчастей Komatsu WA480-6 - F-A ТРАНСМИССИЯ ЛЕВ. ОСНОВН. КЛАПАН (/) СИЛОВАЯ ПЕРЕДАЧА И КОНЕЧНАЯ ПЕРЕДАЧА
3
5
4
3
2
5
4
10
8
1
7
6
10
9
FIT
1:1
100%

Артикул

Название

Примечание

Количество

|$0

TRANSMISSION (SEE FIG. F4350-52A0)

SN: A47001--UP

-1шт.

1

07000-72012

O-RING

SN: A47001--UP

2шт.

2

07000-72015

O-RING

SN: A47001--UP

10шт.

3

07000-73022

O-RING

SN: A47001--UP

3шт.

4

01010-81055

BOLT

SN: A47001--UP

4шт.

5

01643-31032

WASHER

SN: A47001--UP

4шт.

6

01010-81065

BOLT

SN: A47001--UP

1шт.

7

01643-31032

WASHER

SN: A47001--UP

1шт.

8

01011-81020

BOLT

SN: A47001--UP

1шт.

9

01011-81010

BOLT

SN: A47001--UP

1шт.

10

01643-31032

WASHER

SN: A47001--UP

2шт.

Выбрано товаров: 0