Запчасти Komatsu WA480-6 F-A ТРАНСМИССИЯ ПРАВ. ОСНОВН. КЛАПАН БЕЗ БЛОКИР.UP (/) СИЛОВАЯ ПЕРЕДАЧА И КОНЕЧНАЯ ПЕРЕДАЧА

Схема запчастей Komatsu WA480-6 - F-A ТРАНСМИССИЯ ПРАВ. ОСНОВН. КЛАПАН БЕЗ БЛОКИР.UP (/) СИЛОВАЯ ПЕРЕДАЧА И КОНЕЧНАЯ ПЕРЕДАЧА
3
4
2
6
5
1
8
7
9
10
11
8
FIT
1:1
100%

Артикул

Название

Примечание

Количество

|$0

TRANSMISSION (SEE FIG. F4350-52A0)

SN: A47001--UP

-1шт.

|$1

VALVE ASSEMBLY (SEE FIG. F4350-61A0 )

SN: A47001--UP

-1шт.

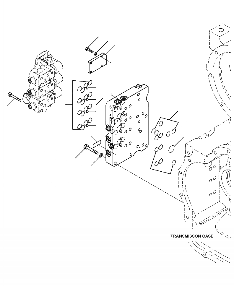
1

01252-70650

BOLT

SN: A47001--UP

12шт.

2

714-07-45160

COVER

SN: A47001--UP

1шт.

3

01010-80620

BOLT

SN: A47001--UP

4шт.

4

01643-30623

WASHER

SN: A47001--UP

4шт.

5

07000-72015

O-RING

SN: A47001--UP

16шт.

6

07000-71007

O-RING

SN: A47001--UP

4шт.

7

700-11-31980

PLATE, NAME, (LIMITED SUPPLY)

SN: A47001--UP

1шт.

8

07000-72015

O-RING

SN: A47001--UP

12шт.

9

07000-73022

O-RING

SN: A47001--UP

1шт.

10

01010-81055

BOLT

SN: A47001--UP

6шт.

11

01643-31032

WASHER

SN: A47001--UP

6шт.

|$13

13

-1шт.

|$14

F1 - THIS PART IS SUPPLIED AS PART OF THE ASSEMBLY. HOWEVER, IT IS AVAILABLE AS AN INDIVIDUAL PART TO AUTHORIZED DISTRIBUTORS ONLY.

14

-1шт.

Выбрано товаров: 15