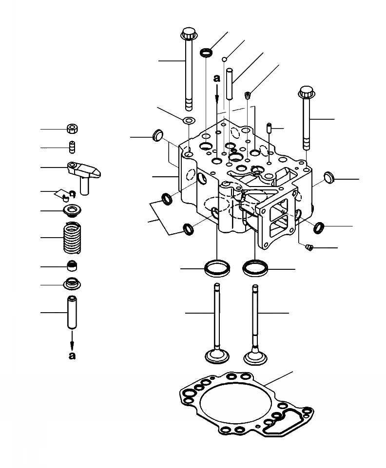
Запчасти Komatsu WA480-6 A-B7A ГОЛОВКА ЦИЛИНДРОВ ДВИГАТЕЛЬ

Схема запчастей Komatsu WA480-6 - A-B7A ГОЛОВКА ЦИЛИНДРОВ ДВИГАТЕЛЬ
5
6
15
21
7
22
23
16
19
5
18
17
1
5
12
10
5
5
13
7
14
3
2
11
4
9
8
20
FIT
1:1
100%

Артикул

Название

Примечание

Количество

|$0

6251-11-1100

CYLINDER HEAD ASSEMBLY

6шт.

1

NSS

HEAD, CYLINDER

1шт.

2

6150-11-1320

INSERT, EXHAUST VALVE (STD)

2шт.

N/I

6150-19-1320

INSERT, 0.25 MM, EXHAUST VALVE (OS)

2шт.

N/I

6150-18-1320

INSERT, 0.50 MM, EXHAUST VALVE (OS)

2шт.

N/I

6150-17-1320

INSERT, 0.75 MM, EXHAUST VALVE (OS)

2шт.

N/I

6150-16-1320

INSERT, 1.00 MM, EXHAUST VALVE (OS)

2шт.

3

6251-11-1380

SEAT, INTAKE VALVE (STD)

2шт.

N/I

6251-19-1380

INSERT, 0.25 MM, INTAKE VALVE (OS)

2шт.

N/I

6251-18-1380

INSERT, 0.50 MM, INTAKE VALVE (OS)

2шт.

N/I

6251-17-1380

INSERT, 0.75 MM, INTAKE VALVE (OS)

2шт.

N/I

6251-16-1380

INSERT, 1.00 MM, INTAKE VALVE (OS)

2шт.

4

6150-12-1370

GUIDE, VALVE (SERVICE ONLY)

4шт.

5

6162-13-1150

PLUG, EXPANSION

11шт.

6

04260-00793

BALL

1шт.

7

07043-70108

PLUG

3шт.

8

6150-42-4110

VALVE, INTAKE

12шт.

9

6150-42-4210

VALVE, EXHAUST

12шт.

10

6150-41-4510

SEAT, UPPER

24шт.

11

6150-41-4430

SEAT, LOWER

24шт.

12

6136-42-4520

COTTER, VALVE

48шт.

13

6251-41-4450

SPRING, VALVE

24шт.

14

6150-41-4570

SEAL, VALVE STEM

24шт.

15

6210-11-1140

GUIDE, CROSSHEAD

12шт.

16

04020-00820

PIN

12шт.

|$25

6150-42-5600

CROSSHEAD ASSEMBLY

12шт.

17

6150-42-5610

CROSSHEAD

1шт.

18

6150-41-5621

SCREW

1шт.

19

6150-41-5630

NUT

1шт.

20

6251-11-1810

GASKET, CYLINDER HEAD, STANDARD

6шт.

N/I

6150-11-1970

GROMMET, OIL

1шт.

N/I

6150-11-1930

GROMMET, OIL

1шт.

N/I

6150-11-1950

GROMMET, WATER

4шт.

N/I

6150-12-1960

GROMMET, WATER

1шт.

N/I

6150-11-1960

GROMMET, OIL

5шт.

20

6251-19-1810

GASKET, CYLINDER HEAD, OVERSIZE 0.40 MM

6шт.

N/I

6150-19-1970

GROMMET, OIL

1шт.

N/I

6150-19-1930

GROMMET, OIL

1шт.

N/I

6150-19-1950

GROMMET, WATER

4шт.

N/I

6150-19-1960

GROMMET, WATER

1шт.

N/I

6251-19-1960

GROMMET, WATER

1шт.

21

6150-11-1620

BOLT

36шт.

22

6164-31-3330

WASHER

36шт.

23

01438-01020

BOLT

6шт.

Выбрано товаров: 44