Запчасти Komatsu WA480-6 H-A ГИДР. НАСОС. ПОГРУЗ. НАСОС (/) ГИДРАВЛИКА

Схема запчастей Komatsu WA480-6 - H-A ГИДР. НАСОС. ПОГРУЗ. НАСОС (/) ГИДРАВЛИКА
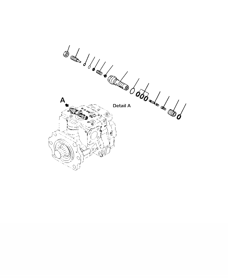
12
9
11
10
8
7
6
1
13
2
3
4
5
2
FIT
1:1
100%

Артикул

Название

Примечание

Количество

|$0

PUMP ASSEMBLY (SEE FIG. H0210-01A0)

SN: A47001--UP

1шт.

|$1

708-1H-03310

VALVE ASSEMBLY

SN: A47001--UP

1шт.

1

708-2L-35311

SLEEVE

SN: A47001--UP

1шт.

2

708-2L-24680

SEAL

SN: A47001--UP

4шт.

3

708-2G-15412

SPOOL

SN: A47001--UP

1шт.

4

708-2L-28540

PISTON

SN: A47001--UP

1шт.

5

708-2L-35360

SLEEVE

SN: A47001--UP

1шт.

6

708-2G-15440

SEAT

SN: A47001--UP

1шт.

7

708-2L-35410

SPRING

SN: A47001--UP

1шт.

8

708-2L-35341

SEAT

SN: A47001--UP

1шт.

9

708-2L-35351

PLUG

SN: A47001--UP

1шт.

10

07000-B1009

O-RING

SN: A47001--UP

1шт.

11

07001-01009

RING, BACK-UP

SN: A47001--UP

1шт.

12

01583-11408

NUT

SN: A47001--UP

1шт.

13

07002-62434

O-RING

SN: A47001--UP

1шт.

|$15

15

-1шт.

|$16

F1 - THIS PART IS SUPPLIED AS PART OF THE ASSEMBLY. HOWEVER, IT IS AVAILABLE AS AN INDIVIDUAL PART TO AUTHORIZED DISTRIBUTORS ONLY.

16

-1шт.

Выбрано товаров: 17