Запчасти Komatsu WA480-6 J-A РАМА ЗАДН. ОСНОВНАЯ РАМА И ЕЕ ЧАСТИ

Схема запчастей Komatsu WA480-6 - J-A РАМА ЗАДН. ОСНОВНАЯ РАМА И ЕЕ ЧАСТИ
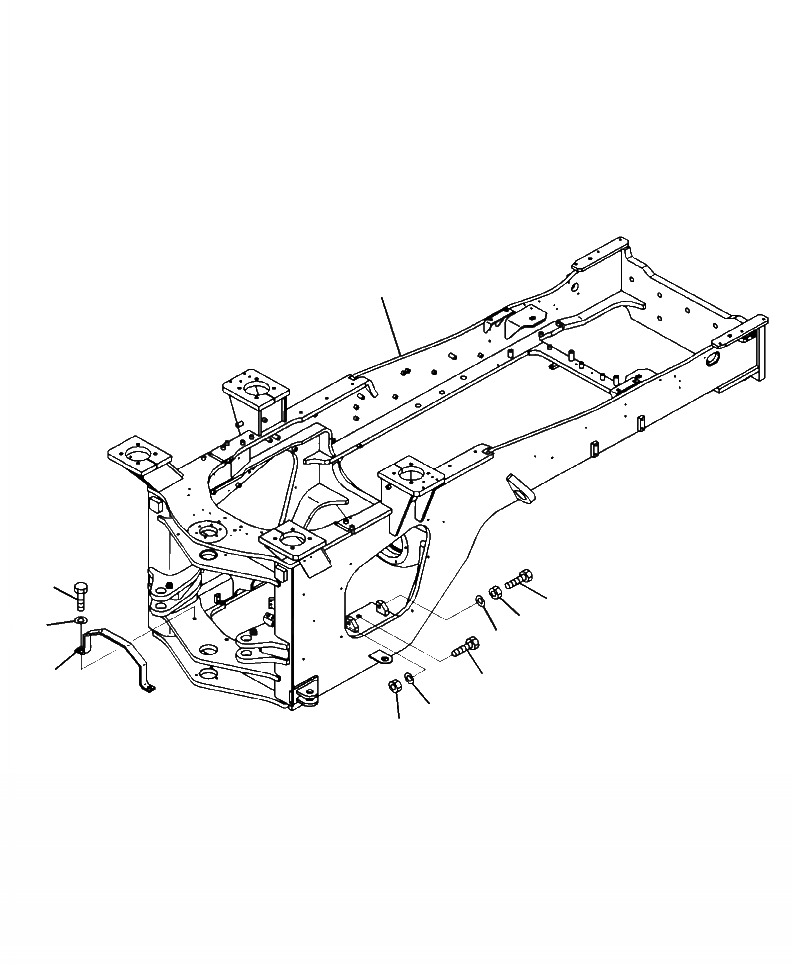
1
3
5
4
7
6
2
5
6
7
FIT
1:1
100%

Артикул

Название

Примечание

Количество

1

421-46-42300

FRAME, REAR

SN: A47001--UP

1шт.

2

421-46-42160

GUARD

SN: A47001--UP

1шт.

3

01010-81640

BOLT

SN: A47001--UP

2шт.

4

01643-31645

WASHER

SN: A47001--UP

2шт.

5

01016-52080

BOLT

SN: A47001--UP

4шт.

6

01643-32060

WASHER

SN: A47001--UP

4шт.

7

01580-12016

NUT

SN: A47001--UP

4шт.

Выбрано товаров: 0