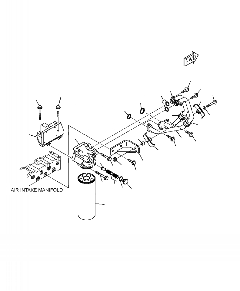
Запчасти Komatsu WA480-6 A9-B7A ДВИГАТЕЛЬ МАСЛ. ФИЛЬТР И ТРУБЫ ДВИГАТЕЛЬ

Схема запчастей Komatsu WA480-6 - A9-B7A ДВИГАТЕЛЬ МАСЛ. ФИЛЬТР И ТРУБЫ ДВИГАТЕЛЬ
17
17
12
23
16
11
10
22
15
14
21
25
21
9
1
26
13
18
17
22
3
19
24
7
20
8
2
4
5
6
FIT
1:1
100%

Артикул

Название

Примечание

Количество

|$0

6217-51-5102

HEAD ASSEMBLY, OIL FILTER

1шт.

1

6217-51-5111

HEAD

1шт.

2

600-211-1890

SPRING

1шт.

3

6162-55-5230

VALVE

1шт.

4

6162-53-5430

PACKING

1шт.

5

6217-51-5660

CAP

1шт.

6

600-211-1340

CARTRIDGE

1шт.

7

01435-01060

BOLT

2шт.

8

01436-01010

BOLT

2шт.

9

6251-51-5340

BRACKET

1шт.

10

01435-01080

BOLT

1шт.

11

01435-01060

BOLT

1шт.

12

6251-51-5770

TUBE, INLET

1шт.

13

6251-51-5780

TUBE, RETURN

1шт.

14

6124-61-2181

GROMMET

2шт.

15

6154-51-5810

GROMMET

1шт.

16

07000-73025

O-RING

2шт.

17

01435-01025

BOLT

4шт.

18

01435-01025

BOLT

3шт.

19

6251-51-5290

BRACKET

1шт.

20

01435-01025

BOLT

2шт.

21

6251-51-5180

CUSHION

2шт.

22

07094-30518

CLAMP

2шт.

23

01435-01285

BOLT

1шт.

24

01584-01210

NUT

1шт.

25

01643-31232

WASHER

1шт.

26

6206-11-4590

SPACER

1шт.

Выбрано товаров: 27