Запчасти Komatsu WA480-6 A999-B7A7 ТОПЛИВН. НАСОС И COMMON RAIL ВОЗВРАТ. ТРУБЫ ДВИГАТЕЛЬ

Схема запчастей Komatsu WA480-6 - A999-B7A7 ТОПЛИВН. НАСОС И COMMON RAIL ВОЗВРАТ. ТРУБЫ ДВИГАТЕЛЬ
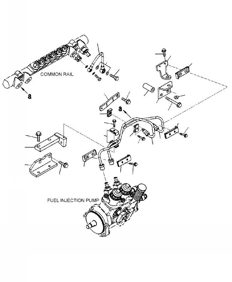
24
15
16
26
18
25
21
20
17
13
12
14
22
18
8
19
6
7
22
2
23
5
1
3
10
9
11
4
FIT
1:1
100%

Артикул

Название

Примечание

Количество

1

6251-71-4110

TUBE, SUPPLY

1шт.

2

6251-71-4120

TUBE, SUPPLY

1шт.

3

6156-71-5281

BRACKET

1шт.

4

01435-01025

BOLT

2шт.

5

6251-71-5830

BRACKET

1шт.

6

01435-01025

BOLT

2шт.

7

6162-75-5820

CLAMP

2шт.

8

01435-00630

BOLT

1шт.

9

6217-71-5210

CLAMP

1шт.

10

6217-71-5170

CLAMP

1шт.

11

01435-00630

BOLT

2шт.

12

6251-71-5820

BRACKET

1шт.

13

6152-51-5520

SPACER

2шт.

14

01435-01070

BOLT

2шт.

15

6217-71-5281

BRACKET

1шт.

16

01435-01025

BOLT

1шт.

17

01584-01008

NUT

1шт.

18

6217-71-5210

CLAMP

2шт.

19

01435-00630

BOLT

2шт.

20

6251-71-5810

BRACKET

1шт.

21

01435-01045

BOLT

1шт.

22

6162-75-5820

CLAMP

2шт.

23

01435-00630

BOLT

1шт.

24

6251-71-5450

TUBE, RETURN

1шт.

25

07206-31014

BOLT, JOINT

1шт.

26

07005-01412

GASKET

2шт.

Выбрано товаров: 0