Качественные детали и логистика
Оригинальные и аналоговые запчасти с доставкой по России, Казахстану и Беларуси
©2022 PartSell ООО "Система" ИНН 2463123282 ОГРН 1212400004838
Центральный офис: г. Красноярск, Академика Киренского, д.87, пом.4
Телефон: 8 (800) 777-65-74 Email: zakaz@partsell.ru
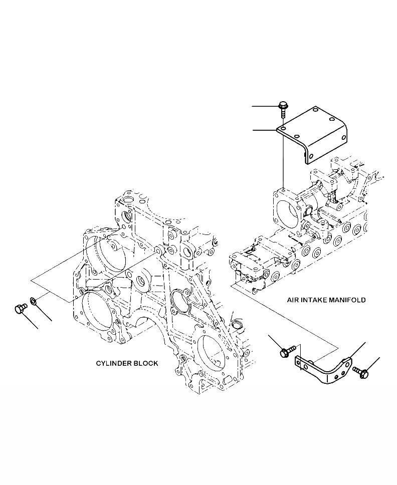
A-B7A АНТИКОРРОЗ. ЭЛЕМЕНТ БЕЗ RESISTOR
№
Артикул
Название
Примечание
Количество
1
6211-61-8280
BRACKET
1шт.
2
01435-01030
BOLT
3
01435-01035
4
6251-61-8170
5
01435-01025
4шт.
6
6110-53-5910
PLUG
2шт.
7
07005-01412
GASKET
Выбрано товаров: 0