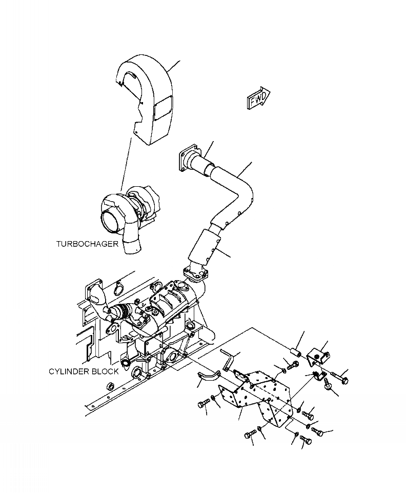
Запчасти Komatsu WA480-6 A-B7A ТЕРМОЗАЩИТА ДВИГАТЕЛЬ

Схема запчастей Komatsu WA480-6 - A-B7A ТЕРМОЗАЩИТА ДВИГАТЕЛЬ
18
17
16
15
3
2
7
13
11
4
5
12
11
6
10
11
11
9
1
10
11
14
9
8
FIT
1:1
100%

Артикул

Название

Примечание

Количество

1

6251-11-6110

COVER, HEAT SHIELD

1шт.

2

6251-11-6380

BRACKET

1шт.

3

6152-51-5520

SPACER

2шт.

4

01435-01075

BOLT

2шт.

5

6934-71-5860

BRACKET

1шт.

6

01435-01025

BOLT

1шт.

7

6251-11-6480

BRACKET

1шт.

8

01010-E1025

BOLT

1шт.

9

01010-E1025

BOLT

2шт.

10

01010-E1030

BOLT

4шт.

11

01643-31032

WASHER

7шт.

12

6251-11-6570

BRACKET

1шт.

13

01010-E1025

BOLT

1шт.

14

01643-31032

WASHER

1шт.

15

6251-11-6611

COVER, HEAT SHIELD

1шт.

16

6251-11-6620

COVER, HEAT SHIELD

1шт.

17

6251-11-6640

COVER, HEAT SHIELD

1шт.

18

6251-11-5460

COVER, TURBOCHARGER

1шт.

Выбрано товаров: 18