Запчасти Komatsu WA480-6 A-B7A ПРОВОДКА ДВИГАТЕЛЬ (/) ДВИГАТЕЛЬ

Схема запчастей Komatsu WA480-6 - A-B7A ПРОВОДКА ДВИГАТЕЛЬ (/) ДВИГАТЕЛЬ
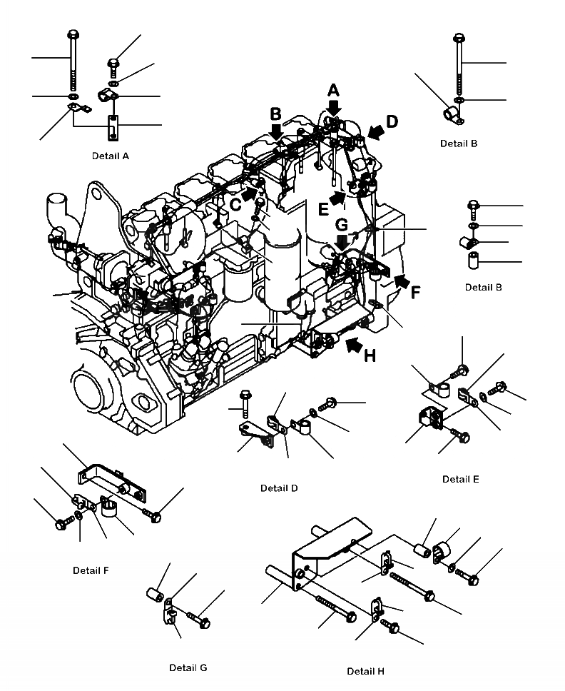
38
41
39
45
40
44
42
46
37
43
49
50
51
23
51
48
47
48
1
25
23
29
27
36
34
25
31
28
26
12
35
24
30
25
18
32
33
13
16
5
6
8
15
7
14
17
19
20
11
21
9
2
11
4
3
22
9
10
FIT
1:1
100%

Артикул

Название

Примечание

Количество

1

6251-81-9810

WIRING HARNESS

1шт.

2

6251-81-9290

BRACKET

1шт.

3

01436-01015

BOLT

1шт.

4

01436-01030

BOLT

1шт.

5

6144-11-5630

SPACER

2шт.

6

600-051-2280

CLIP

2шт.

7

01435-01055

BOLT

2шт.

8

01643-31032

WASHER

2шт.

9

6218-81-8440

CLAMP

2шт.

10

01435-01025

BOLT

1шт.

11

6218-81-8490

BAND

2шт.

12

421-01-41251

BRACKET

1шт.

13

01435-01020

BOLT

1шт.

14

6218-81-8440

CLAMP

1шт.

15

600-051-2280

CLIP

1шт.

16

01435-01025

BOLT

1шт.

17

01643-31032

WASHER

1шт.

18

6218-81-8490

BAND

1шт.

19

6144-11-5630

SPACER

1шт.

20

6218-81-8440

CLAMP

1шт.

21

01435-01065

BOLT

1шт.

22

6218-81-8490

BAND

1шт.

23

6218-81-8490

BAND

2шт.

24

6251-81-9270

BRACKET

1шт.

25

01435-01020

BOLT

3шт.

26

6218-81-8440

CLAMP

1шт.

27

600-051-2200

CLIP

1шт.

28

01643-31032

WASHER

1шт.

29

6218-81-8490

BAND

1шт.

30

6251-81-9660

BRACKET

1шт.

31

01435-01090

BOLT

1шт.

32

6218-81-8440

CLAMP

1шт.

33

600-051-2180

CLIP

1шт.

34

01435-01020

BOLT

1шт.

35

01643-31032

WASHER

1шт.

36

6218-81-8490

BAND

1шт.

37

421-62-11940

PLATE

1шт.

38

01435-01020

BOLT

1шт.

39

01643-31032

WASHER

1шт.

40

600-051-2140

CLIP

1шт.

41

01435-01070

BOLT

1шт.

42

01643-31032

WASHER

1шт.

43

08193-20010

CLIP

1шт.

44

600-051-2180

CLIP

1шт.

45

01436-01065

BOLT

1шт.

46

01643-31032

WASHER

1шт.

47

6144-11-5630

SPACER

1шт.

48

600-051-2140

CLIP

2шт.

49

01435-01055

BOLT

1шт.

50

01435-01020

BOLT

1шт.

51

01643-31032

WASHER

2шт.

Выбрано товаров: 51