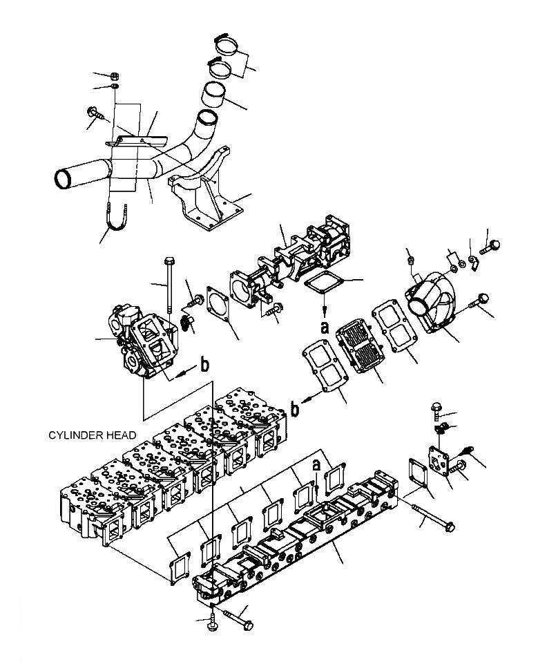
Запчасти Komatsu WA480-6 A-B7A ТРУБОПРОВОД ВПУСКА ВОЗДУХА И ТРУБЫ ДВИГАТЕЛЬ

Схема запчастей Komatsu WA480-6 - A-B7A ТРУБОПРОВОД ВПУСКА ВОЗДУХА И ТРУБЫ ДВИГАТЕЛЬ
35
30
34
31
29
32
36
28
24
15
17
16
18
33
23
27
20
14
26
19
22
25
11
12
13
9
12
8
10
7
6
4
5
2
1
3
21
FIT
1:1
100%

Артикул

Название

Примечание

Количество

1

6251-11-4110

MANIFOLD, INTAKE

1шт.

2

01436-01030

BOLT

12шт.

3

01435-01080

BOLT

12шт.

4

6251-11-4250

COVER

1шт.

5

6251-11-4260

GASKET

1шт.

6

01435-01025

BOLT

2шт.

7

6150-13-4810

GASKET

6шт.

8

6261-81-2700

SENSOR ASSEMBLY

1шт.

N/I

6261-81-2710

SENSOR, BOOST PRESSURE

1шт.

N/I

6261-81-2720

O-RING

1шт.

9

01435-00616

BOLT

2шт.

10

6560-61-7300

SENSOR ASSEMBLY

1шт.

N/I

6560-61-7310

SENSOR, TEMPERATURE AIR INTAKE

1шт.

N/I

6735-21-1930

O-RING

1шт.

11

6251-11-4340

CONNECTOR

1шт.

12

6251-11-4830

GASKET

2шт.

13

600-815-3811

HEATER, RIBBON

1шт.

14

01435-01070

BOLT

5шт.

15

01435-01080

BOLT

1шт.

16

07042-A0108

PLUG

2шт.

17

6251-81-4520

PLATE

1шт.

18

01643-31032

WASHER

2шт.

19

6251-11-7210

HOUSING, AIR JUNCTION

1шт.

20

01436-01060

BOLT

2шт.

21

01435-01040

BOLT

2шт.

22

6251-11-9720

NOZZLE, VENTURI

1шт.

23

01437-10816

BOLT

2шт.

24

6251-11-7410

CONNECTOR

1шт.

25

6251-11-7450

GASKET

1шт.

26

01435-01035

BOLT

4шт.

27

6251-11-4820

GASKET

1шт.

28

6251-11-4140

PIPE

1шт.

29

6151-11-4410

HOSE

1шт.

30

6152-12-4490

CLAMP

2шт.

31

6251-11-4150

BRACKET

1шт.

32

01435-01025

BOLT

2шт.

33

07283-37663

CLIP

2шт.

34

01643-31032

WASHER

4шт.

35

01597-01009

NUT

4шт.

36

BRACKET (SEE FIG. A1215-B7A2)

-1шт.

Выбрано товаров: 40