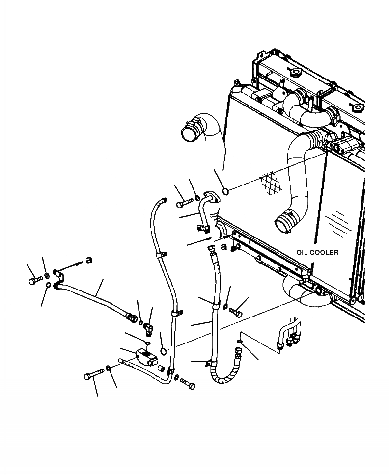
Запчасти Komatsu WA480-6 C-A РАДИАТОР ГИДРАВЛ ОХЛАДИТЕЛЬ ЛИНИЯ (/) СИСТЕМА ОХЛАЖДЕНИЯ

Схема запчастей Komatsu WA480-6 - C-A РАДИАТОР ГИДРАВЛ ОХЛАДИТЕЛЬ ЛИНИЯ (/) СИСТЕМА ОХЛАЖДЕНИЯ
6
5
4
3
2
20
19
17
16
15
10
14
9
18
1
8
11
7
14
2
13
12
FIT
1:1
100%

Артикул

Название

Примечание

Количество

1

421-62-41260

HOSE, 110 MM

SN: A47001--UP

1шт.

2

02896-11015

O-RING

SN: A47001--UP

2шт.

3

421-62-44740

TUBE

SN: A47001--UP

1шт.

4

01010-81040

BOLT

SN: A47001--UP

2шт.

5

01643-31032

WASHER

SN: A47001--UP

2шт.

6

07000-13035

O-RING

SN: A47001--UP

1шт.

7

421-62-41190

BLOCK

SN: A47001--UP

1шт.

8

07000-13035

O-RING

SN: A47001--UP

1шт.

9

02782-10516

ELBOW

SN: A47001--UP

1шт.

10

02896-11015

O-RING

SN: A47001--UP

1шт.

11

07002-12034

O-RING

SN: A47001--UP

1шт.

12

01010-81060

BOLT

SN: A47001--UP

2шт.

13

01643-31032

WASHER

SN: A47001--UP

2шт.

14

04434-52512

CLIP

SN: A47001--UP

2шт.

15

01010-81020

BOLT

SN: A47001--UP

1шт.

16

01643-31032

WASHER

SN: A47001--UP

1шт.

17

421-62-41220

TUBE

SN: A47001--UP

1шт.

18

02896-11015

O-RING

SN: A47001--UP

2шт.

19

01010-81025

BOLT

SN: A47001--UP

2шт.

20

01643-31032

WASHER

SN: A47001--UP

2шт.

Выбрано товаров: 20