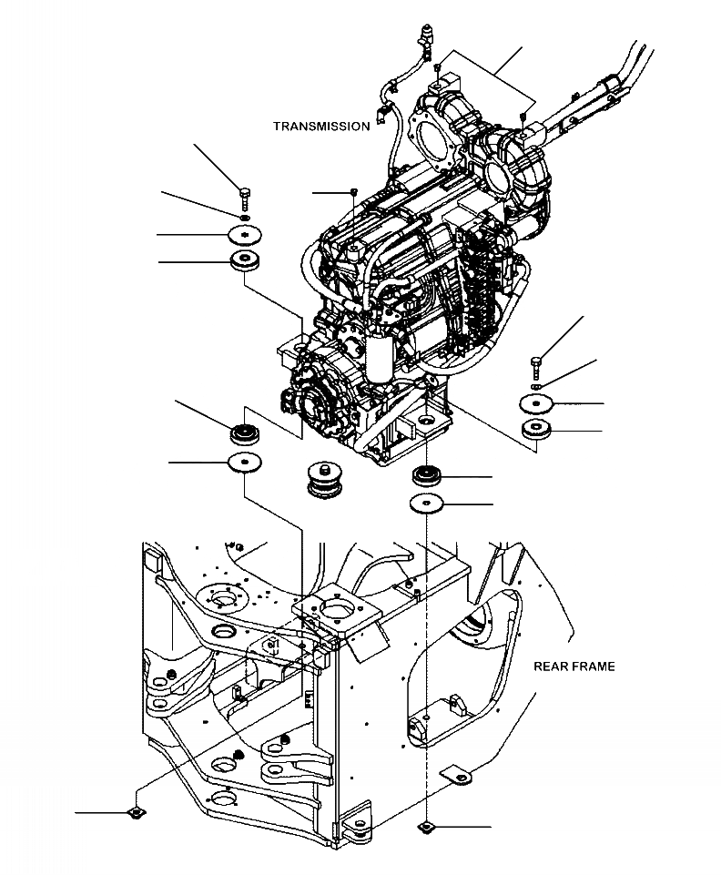
Запчасти Komatsu WA480-6 F-A КРЕПЛЕНИЕ ТРАНСМИССИИ И ГИДРОТРАНСФОРМАТОРАTO ЗАДН. РАМА СИЛОВАЯ ПЕРЕДАЧА И КОНЕЧНАЯ ПЕРЕДАЧА

Схема запчастей Komatsu WA480-6 - F-A КРЕПЛЕНИЕ ТРАНСМИССИИ И ГИДРОТРАНСФОРМАТОРАTO ЗАДН. РАМА СИЛОВАЯ ПЕРЕДАЧА И КОНЕЧНАЯ ПЕРЕДАЧА
7
4
2
7
3
1
4
2
1
3
1
5
1
5
6
6
FIT
1:1
100%

Артикул

Название

Примечание

Количество

1

421-01-41140

CUSHION

SN: A48001--UP

4шт.

2

01643-32060

WASHER

SN: A48001--UP

2шт.

3

424-01-11220

WASHER

SN: A48001--UP

2шт.

4

01011-62030

BOLT

SN: A48001--UP

2шт.

5

424-01-11220

WASHER

SN: A48001--UP

2шт.

6

421-01-41550

BRACKET

SN: A48001--UP

2шт.

7

07049-02430

PLUG

SN: A48001--UP

3шт.

Выбрано товаров: 7