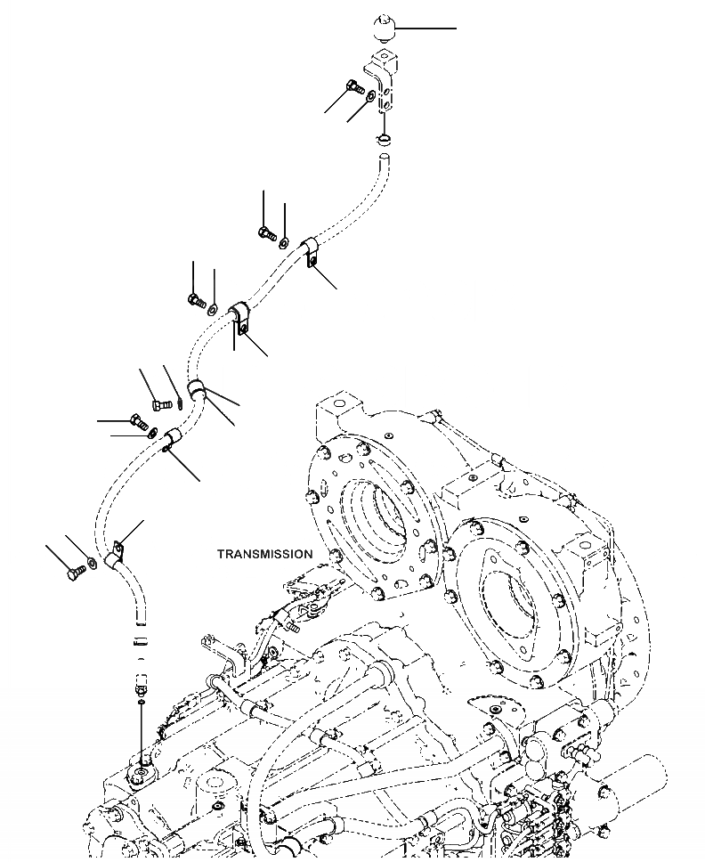
Запчасти Komatsu WA480-6 F-A ГИДРОТРАНСФОРМАТОР И ТРАНСМИССИЯ ТРАНСМИССИЯ САПУН ЛИНИЯ КРЕПЛЕНИЕ СИЛОВАЯ ПЕРЕДАЧА И КОНЕЧНАЯ ПЕРЕДАЧА

Схема запчастей Komatsu WA480-6 - F-A ГИДРОТРАНСФОРМАТОР И ТРАНСМИССИЯ ТРАНСМИССИЯ САПУН ЛИНИЯ КРЕПЛЕНИЕ СИЛОВАЯ ПЕРЕДАЧА И КОНЕЧНАЯ ПЕРЕДАЧА
10
1
2
8
9
7
5
6
3
4
3
4
6
5
7
8
9
7
8
9
FIT
1:1
100%

Артикул

Название

Примечание

Количество

1

01010-81020

BOLT

SN: A48001--UP

2шт.

2

01643-31032

WASHER

SN: A48001--UP

2шт.

3

04434-52110

CLIP

SN: A48001--UP

2шт.

4

07095-20314

CUSHION

SN: A48001--UP

2шт.

5

01010-81020

BOLT

SN: A48001--UP

2шт.

6

01643-31032

WASHER

SN: A48001--UP

2шт.

7

04434-51610

CLIP

SN: A48001--UP

3шт.

8

01010-81020

BOLT

SN: A48001--UP

3шт.

9

01643-31032

WASHER

SN: A48001--UP

3шт.

10

BREATHER (SEE FIG. F4350-65A0)

SN: A48001--UP

-1шт.

Выбрано товаров: 10