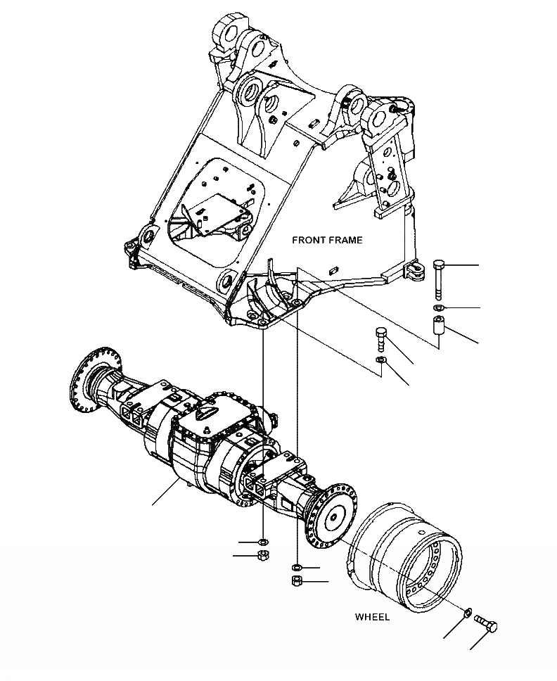
Запчасти Komatsu WA480-6 F-A ПЕРЕДНИЙ МОСТ КРЕПЛЕНИЕ СИЛОВАЯ ПЕРЕДАЧА И КОНЕЧНАЯ ПЕРЕДАЧА

Схема запчастей Komatsu WA480-6 - F-A ПЕРЕДНИЙ МОСТ КРЕПЛЕНИЕ СИЛОВАЯ ПЕРЕДАЧА И КОНЕЧНАЯ ПЕРЕДАЧА
3
5
4
2
5
1
5
6
5
6
8
7
FIT
1:1
100%

Артикул

Название

Примечание

Количество

1

AXLE ASSEMBLY (SEE FIG. F4400-51B0)

SN: A48001--UP

-1шт.

2

421-09-12240

BOLT

SN: A48001--UP

4шт.

3

425-974-1161

BOLT

SN: A48001--UP

4шт.

4

421-09-42250

SPACER

SN: A48001--UP

4шт.

5

01643-33080

WASHER

SN: A48001--UP

16шт.

6

01580-03024

NUT

SN: A48001--UP

8шт.

7

419-22-12870

BOLT

SN: A48001--UP

48шт.

8

01643-32460

WASHER

SN: A48001--UP

48шт.

Выбрано товаров: 8