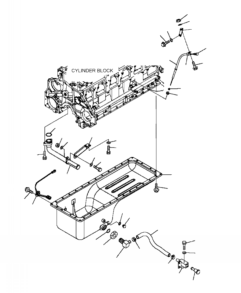
Запчасти Komatsu WA480-6 A-B7A ПОДДОН ДВИГ-ЛЯ ORIGINAL RELEASE ДВИГАТЕЛЬ

Схема запчастей Komatsu WA480-6 - A-B7A ПОДДОН ДВИГ-ЛЯ ORIGINAL RELEASE ДВИГАТЕЛЬ
22
21
17
16
18
12
13
20
19
14
15
28
30
34
35
32
31
35
29
33
1
27
2
24
23
26
25
7
9
11
4
8
10
3
8
5
6
FIT
1:1
100%

Артикул

Название

Примечание

Количество

1

6150-21-5550

PAN, OIL

1шт.

2

01435-01025

BOLT

36шт.

3

6251-51-6630

ELBOW

1шт.

4

01583-13621

NUT

1шт.

5

421-01-41160

TUBE

1шт.

6

423-01-31610

PLUG

1шт.

7

07260-22045

HOSE

1шт.

8

07281-00359

CLAMP

2шт.

9

01010-80612

BOLT

1шт.

10

01643-30623

WASHER

1шт.

11

07002-23634

O-RING

1шт.

12

6207-21-5340

GAUGE, OIL LEVEL

1шт.

13

6251-21-5410

GUIDE, OIL GAUGE

1шт.

14

6150-21-5920

COLLAR

1шт.

15

6150-21-5930

NUT

1шт.

16

6251-21-5510

BRACKET

1шт.

17

01643-31032

WASHER

1шт.

18

01435-01025

BOLT

1шт.

19

04434-51310

CLIP

1шт.

20

01435-01025

BOLT

1шт.

21

01643-31032

WASHER

1шт.

22

01584-01008

NUT

1шт.

23

6741-81-9220

SENSOR, OIL LEVEL

1шт.

N/I

7861-91-4220

O-RING

1шт.

24

01435-00612

BOLT

3шт.

25

6672-12-6290

PLUG

1шт.

26

07005-01612

GASKET

1шт.

27

6150-51-6330

STRAINER

1шт.

28

07000-73045

O-RING

1шт.

29

01010-81035

BOLT

2шт.

30

6150-51-6340

BRACKET

1шт.

31

01010-81020

BOLT

1шт.

32

01643-31032

WASHER

1шт.

33

01010-81030

BOLT

1шт.

34

01580-01008

NUT

1шт.

35

01643-31032

WASHER

2шт.

Выбрано товаров: 36