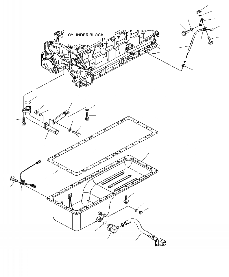
Запчасти Komatsu WA480-6 A-B7A ПОДДОН ДВИГ-ЛЯ НОВ. RELEASE ДВИГАТЕЛЬ

Схема запчастей Komatsu WA480-6 - A-B7A ПОДДОН ДВИГ-ЛЯ НОВ. RELEASE ДВИГАТЕЛЬ
17
16
12
11
13
7
15
14
8
9
10
23
25
27
29
30
26
24
30
28
22
1
31
19
2
18
21
20
6
5
3
4
FIT
1:1
100%

Артикул

Название

Примечание

Количество

1

6150-21-5550

PAN, OIL

1шт.

2

01435-01025

BOLT

36шт.

|$2

6251-51-6620

HOSE ASSEMBLY, OIL DRAIN

1шт.

3

6251-51-6630

ELBOW

1шт.

4

6251-51-6640

HOSE ASSEMBLY

1шт.

5

07281-00359

CLAMP

1шт.

6

07002-23634

O-RING

1шт.

7

6207-21-5340

GAUGE, OIL LEVEL

1шт.

8

6251-21-5410

GUIDE, OIL GAUGE

1шт.

9

6150-21-5920

COLLAR

1шт.

10

6150-21-5930

NUT

1шт.

11

6251-21-5510

BRACKET

1шт.

12

01643-31032

WASHER

1шт.

13

01435-01025

BOLT

1шт.

14

04434-51310

CLIP

1шт.

15

01435-01025

BOLT

1шт.

16

01643-31032

WASHER

1шт.

17

01584-01008

NUT

1шт.

18

6741-81-9220

SENSOR, OIL LEVEL

1шт.

N/I

7861-91-4220

O-RING

1шт.

19

01435-00612

BOLT

3шт.

20

6672-12-6290

PLUG

1шт.

21

07005-01612

GASKET

1шт.

22

6150-51-6330

STRAINER

1шт.

23

07000-73045

O-RING

1шт.

24

01010-81035

BOLT

2шт.

25

6150-51-6340

BRACKET

1шт.

26

01010-81020

BOLT

1шт.

27

01643-31032

WASHER

1шт.

28

01010-81030

BOLT

1шт.

29

01580-01008

NUT

1шт.

30

01643-31032

WASHER

2шт.

31

6150-21-5813

GASKET

1шт.

Выбрано товаров: 33