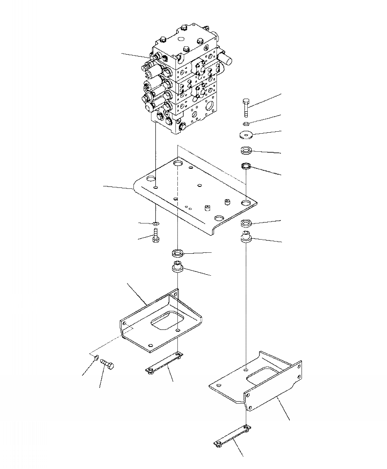
Запчасти Komatsu WA480-6 H-A КРЕПЛЕНИЕ КОНТРОЛЬНОГО КЛАПАНА КОРПУС (3-Х СЕКЦИОНН. КЛАПАН) ГИДРАВЛИКА

Схема запчастей Komatsu WA480-6 - H-A КРЕПЛЕНИЕ КОНТРОЛЬНОГО КЛАПАНА КОРПУС (3-Х СЕКЦИОНН. КЛАПАН) ГИДРАВЛИКА
1
5
6
7
8
10
4
8
3
2
9
8
9
13
15
11
14
12
11
FIT
1:1
100%

Артикул

Название

Примечание

Количество

1

VALVE ASSEMBLY (SEE FIG. H0120-01A0)

SN: A48001--UP

-1шт.

2

01010-81640

BOLT

SN: A48001--UP

4шт.

3

01643-31645

WASHER

SN: A48001--UP

4шт.

4

421-64-41110

BRACKET

SN: A48001--UP

1шт.

5

01010-81685

BOLT

SN: A48001--UP

4шт.

6

01643-31645

WASHER

SN: A48001--UP

4шт.

7

425-70-11290

WASHER

SN: A48001--UP

4шт.

8

421-64-23120

CUSHION

SN: A48001--UP

8шт.

9

421-64-41140

BOSS

SN: A48001--UP

4шт.

10

421-64-23130

CUSHION

SN: A48001--UP

4шт.

11

421-64-41150

BRACKET

SN: A48001--UP

2шт.

12

421-64-41121

BRACKET, L.H.

SN: A48001--UP

1шт.

13

421-64-41130

BRACKET, R.H.

SN: A48001--UP

1шт.

14

01010-D1635

BOLT

SN: A48001--UP

8шт.

15

01643-71645

WASHER

SN: A48001--UP

8шт.

Выбрано товаров: 15