Запчасти Komatsu WA480-6 H-A ГИДР. НАСОС. ГИДРАВЛ ЛИНИЯ ГИДРАВЛИКА

Схема запчастей Komatsu WA480-6 - H-A ГИДР. НАСОС. ГИДРАВЛ ЛИНИЯ ГИДРАВЛИКА
5
4
7
8
6
9
3
3
1
13
14
12
10
2
5
4
11
2
FIT
1:1
100%

Артикул

Название

Примечание

Количество

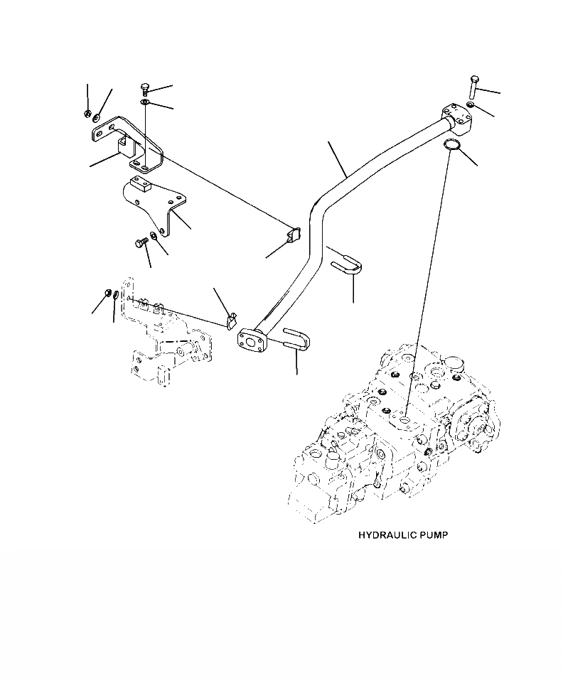
1

421-62-45370

TUBE

SN: A48001--UP

1шт.

2

07283-33450

U-BOLT

SN: A48001--UP

2шт.

3

07283-53444

SEAT

SN: A48001--UP

2шт.

4

01643-31032

WASHER

SN: A48001--UP

4шт.

5

01597-01009

NUT

SN: A48001--UP

4шт.

6

07000-13035

O-RING

SN: A48001--UP

1шт.

7

01010-81065

BOLT

SN: A48001--UP

4шт.

8

01643-51032

WASHER

SN: A48001--UP

4шт.

9

421-62-45380

BRACKET

SN: A48001--UP

4шт.

10

01010-81230

BOLT

SN: A48001--UP

2шт.

11

01643-31232

WASHER

SN: A48001--UP

2шт.

12

421-62-45390

BRACKET

SN: A48001--UP

1шт.

13

01010-81020

BOLT

SN: A48001--UP

2шт.

14

01643-31032

WASHER

SN: A48001--UP

2шт.

Выбрано товаров: 14