Запчасти Komatsu WA480-6 H-A ГИДР. НАСОС. ЭКСТРЕНН. НАСОС РУЛЕВ. УПРАВЛ-Я (КРЕПЛЕНИЕ) ГИДРАВЛИКА

Схема запчастей Komatsu WA480-6 - H-A ГИДР. НАСОС. ЭКСТРЕНН. НАСОС РУЛЕВ. УПРАВЛ-Я (КРЕПЛЕНИЕ) ГИДРАВЛИКА
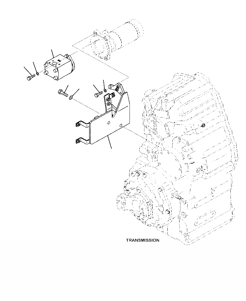
1
2
3
4
5
6
7
8
FIT
1:1
100%

Артикул

Название

Примечание

Количество

1

01010-81035

BOLT

SN: A48001--UP

4шт.

2

01643-31032

WASHER

SN: A48001--UP

4шт.

3

PUMP ASSEMBLY (SEE FIG. H0210-25A1)

SN: A48001--UP

-1шт.

4

01010-81030

BOLT

SN: A48001--UP

2шт.

5

01643-31032

WASHER

SN: A48001--UP

2шт.

6

421-62-45470

BRACKET

SN: A48001--UP

1шт.

7

01010-81635

BOLT

SN: A48001--UP

2шт.

8

01643-31645

WASHER

SN: A48001--UP

2шт.

Выбрано товаров: 8