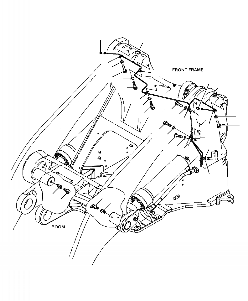
Запчасти Komatsu WA480-6 J7-A УДАЛЕННАЯ СМАЗКА СТРЕЛА ОСНОВНАЯ РАМА И ЕЕ ЧАСТИ

Схема запчастей Komatsu WA480-6 - J7-A УДАЛЕННАЯ СМАЗКА СТРЕЛА ОСНОВНАЯ РАМА И ЕЕ ЧАСТИ
9
2
3
8
3
8
7
9
1
7
3
8
5
7
6
8
4
7
3
5
6
3
1
5
6
4
2
10
11
11
10
FIT
1:1
100%

Артикул

Название

Примечание

Количество

1

421-46-46250

TUBE

SN: A48001--UP

1шт.

2

421-46-46260

TUBE

SN: A48001--UP

1шт.

3

04434-50612

CLIP

SN: A48001--UP

7шт.

4

04435-50610

CLIP

SN: A48001--UP

3шт.

5

01010-81020

BOLT

SN: A48001--UP

3шт.

6

01643-31032

WASHER

SN: A48001--UP

3шт.

7

01010-81020

BOLT

SN: A48001--UP

4шт.

8

01643-31032

WASHER

SN: A48001--UP

4шт.

9

421-09-12540

ELBOW

SN: A48001--UP

2шт.

10

07020-00900

FITTING, GREASE

SN: A48001--UP

2шт.

11

423-70-11160

NIPPLE

SN: A48001--UP

2шт.

Выбрано товаров: 11