Запчасти Komatsu WA480-6 A-B7A РЫЧАГ КОРОМЫСЛА КОЖУХ ДВИГАТЕЛЬ

Схема запчастей Komatsu WA480-6 - A-B7A РЫЧАГ КОРОМЫСЛА КОЖУХ ДВИГАТЕЛЬ
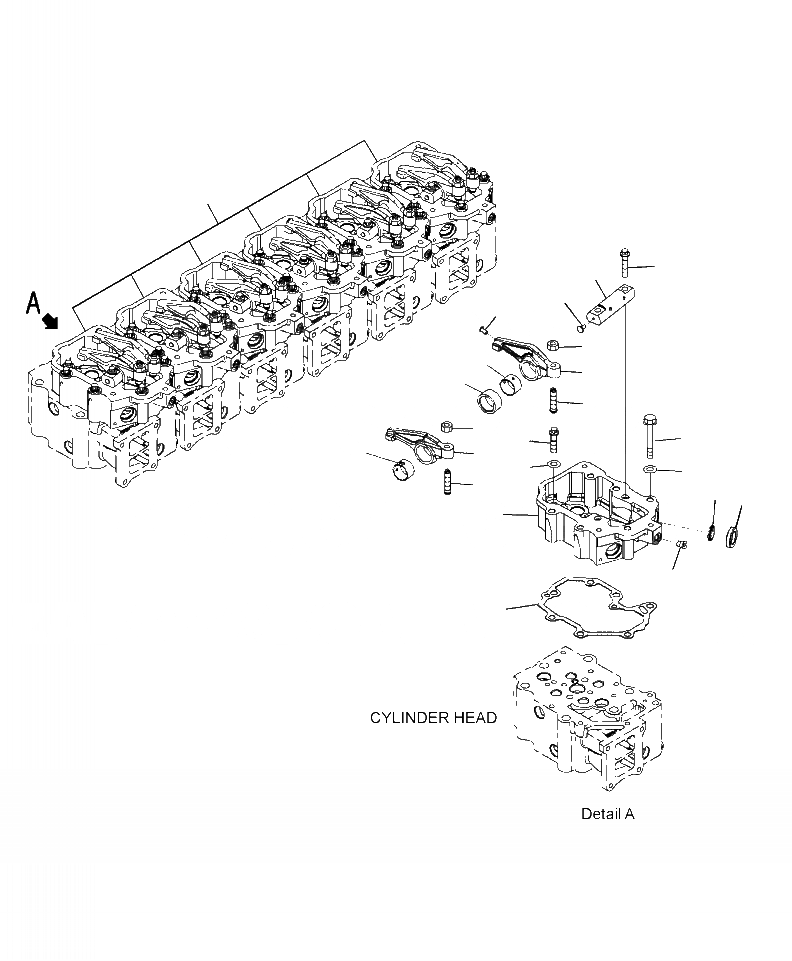
1
19
16
17
12
15
13
11
18
14
10
4
5
8
7
6
6
9
21
20
1
2
3
FIT
1:1
100%

Артикул

Название

Примечание

Количество

|$0

6251-11-7100

HOUSING ASSEMBLY

6шт.

1

6251-11-7110

HOUSING, ROCKER ARM

1шт.

2

07043-30108

PLUG, TAPER

1шт.

3

6251-11-7220

GASKET

6шт.

4

01437-01075

BOLT

34шт.

5

6251-71-1170

BOLT

6шт.

6

01643-31032

WASHER

40шт.

|$7

6150-41-5400

ARM ASSEMBLY, INTAKE

6шт.

7

NSS

ARM, ROCKER

1шт.

8

6150-41-5420

BUSHING

1шт.

9

6150-41-5541

SCREW

6шт.

10

01582-01008

NUT

6шт.

|$12

6154-41-5500

ARM ASSEMBLY, EXHAUST

6шт.

11

NSS

ARM, ROCKER

1шт.

12

6162-43-5340

RIVET

1шт.

13

6150-41-5420

BUSHING

1шт.

14

6150-41-5541

SCREW

6шт.

15

01582-01008

NUT

6шт.

|$18

6150-42-5300

SHAFT ASSEMBLY, ROCKER ARM

6шт.

16

NSS

SHAFT

1шт.

17

6710-41-5340

RIVET

1шт.

18

6154-41-5321

COLLAR

6шт.

19

6150-81-9370

BOLT

12шт.

20

6251-11-8830

SEAL

6шт.

21

6251-11-8840

RING

6шт.

Выбрано товаров: 25