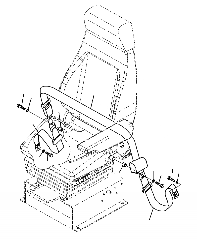
Запчасти Komatsu WA480-6 K-A РЕМЕНЬ БЕЗОПАСНОСТИ RETRACTABLE ( INCH) OPERATORXD S ОБСТАНОВКА И СИСТЕМА УПРАВЛЕНИЯ

Схема запчастей Komatsu WA480-6 - K-A РЕМЕНЬ БЕЗОПАСНОСТИ RETRACTABLE ( INCH) OPERATORXD S ОБСТАНОВКА И СИСТЕМА УПРАВЛЕНИЯ
1
6
7
5
2
4
3
3
7
4
6
5
2
FIT
1:1
100%

Артикул

Название

Примечание

Количество

1

421-960-A521

SEAT BELT ASSEMBLY

SN: A48001--UP

1шт.

2

09409-20000

BELT, TETHER

SN: A48001--UP

2шт.

N/I

09409-00001

BOLT

SN: A48001--UP

1шт.

N/I

09409-00002

WASHER

SN: A48001--UP

1шт.

N/I

09409-00003

NUT

SN: A48001--UP

1шт.

3

02030-70725

BOLT

SN: A48001--UP

2шт.

4

416-40-11150

WASHER

SN: A48001--UP

2шт.

5

104-890-5610

COLLAR

SN: A48001--UP

2шт.

6

02030-70744

BOLT

SN: A48001--UP

2шт.

7

01643-31232

WASHER

SN: A48001--UP

2шт.

Выбрано товаров: 10