Запчасти Komatsu WA480-6 K-8A КАБИНА ROPS ЗЕРКАЛАКРЕПЛЕНИЕ, КОЗЫРЕК ОТ СОЛНЦА., АНТЕННА, И ГРОМКОГОВОРИТ.S OPERATORXD S ОБСТАНОВКА И СИСТЕМА УПРАВЛЕНИЯ

Схема запчастей Komatsu WA480-6 - K-8A КАБИНА ROPS ЗЕРКАЛАКРЕПЛЕНИЕ, КОЗЫРЕК ОТ СОЛНЦА., АНТЕННА, И ГРОМКОГОВОРИТ.S OPERATORXD S ОБСТАНОВКА И СИСТЕМА УПРАВЛЕНИЯ
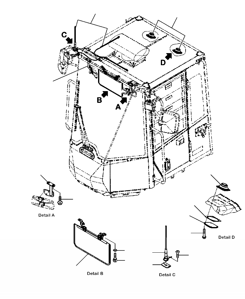
1
2
3
4
5
6
7
8
9
10
7
10
12
11
13
FIT
1:1
100%

Артикул

Название

Примечание

Количество

|$0

ROPS CAB ASSEMBLY (SEE FIG. K0210-01A0)

SN: A48001--UP

-1шт.

1

423-925-4641

STAY, L.H.

SN: A48001--UP

1шт.

2

423-925-4651

STAY, R.H.

SN: A48001--UP

1шт.

3

01435-40620

BOLT

SN: A48001--UP

4шт.

4

425-925-3281

SUN VISOR

SN: A48001--UP

1шт.

5

01252-80520

BOLT

SN: A48001--UP

4шт.

6

01602-50513

WASHER

SN: A48001--UP

4шт.

7

20Y-06-41990

RUBBER ANTENNA

SN: A48001--UP

1шт.

8

416-926-3493

PLATE

SN: A48001--UP

1шт.

9

01023-20416

SCREW

SN: A48001--UP

2шт.

10

20Y-06-42180

SPEAKER

SN: A48001--UP

2шт.

11

418-967-2150

COVER

SN: A48001--UP

2шт.

12

418-967-2230

PLATE

SN: A48001--UP

2шт.

13

01220-40420

SCREW

SN: A48001--UP

8шт.

Выбрано товаров: 14