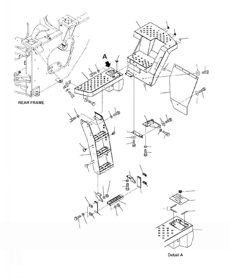
Запчасти Komatsu WA480-6 M-A ENTRY ЛЕСТНИЦА ЛЕВ. ЧАСТИ КОРПУСА

Схема запчастей Komatsu WA480-6 - M-A ENTRY ЛЕСТНИЦА ЛЕВ. ЧАСТИ КОРПУСА
5
2
5
17
14
19
17
20
4
3
1
18
17
19
22
23
20
23
22
11
6
12
24
13
12
10
24
9
11
8
7
21
30
27
25
33
36
34
35
28
15
30
30
29
1
26
16
16
33
29
34
30
32
1
31
FIT
1:1
100%

Артикул

Название

Примечание

Количество

1

421-54-44362

FLOOR, L.H.

SN: A48001--UP

1шт.

N/I

423-54-44390

HINGE

SN: A48001--UP

2шт.

2

421-54-44441

FLOOR, L.H.

SN: A48001--UP

1шт.

3

01010-81230

BOLT

SN: A48001--UP

4шт.

4

01643-31232

WASHER

SN: A48001--UP

4шт.

5

421-54-22990

PLUG

SN: A48001--UP

4шт.

6

423-54-41320

BRACKET, L.H.

SN: A48001--UP

1шт.

7

01010-81235

BOLT

SN: A48001--UP

4шт.

8

01643-31232

WASHER

SN: A48001--UP

4шт.

9

01010-81230

BOLT

SN: A48001--UP

2шт.

10

01643-31232

WASHER

SN: A48001--UP

2шт.

11

01010-81230

BOLT

SN: A48001--UP

4шт.

12

421-03-31590

WASHER

SN: A48001--UP

4шт.

13

423-54-44140

BRACKET

SN: A48001--UP

1шт.

14

09415-00506

CAP

SN: A48001--UP

1шт.

15

08037-02512

GROMMET

SN: A48001--UP

1шт.

16

418-54-22190

CUSHION

SN: A48001--UP

3шт.

17

426-56-21990

PLUG

SN: A48001--UP

4шт.

18

421-54-44230

SHEET, L.H.

SN: A48001--UP

1шт.

19

01010-81025

BOLT

SN: A48001--UP

5шт.

20

421-54-34550

WASHER

SN: A48001--UP

5шт.

21

421-54-44861

LADDER

SN: A48001--UP

1шт.

22

01010-81235

BOLT

SN: A48001--UP

4шт.

23

01643-31232

WASHER

SN: A48001--UP

4шт.

24

22L-46-12150

CAP

SN: A48001--UP

4шт.

25

416-54-34230

PLUG

SN: A48001--UP

2шт.

26

421-54-34611

STEP

SN: A48001--UP

1шт.

27

424-54-44861

PLATE

SN: A48001--UP

1шт.

28

424-54-44951

PLATE

SN: A48001--UP

1шт.

29

421-54-44392

RUBBER

SN: A48001--UP

2шт.

30

428-T86-1650

PLATE

SN: A48001--UP

4шт.

31

01010-81045

BOLT

SN: A48001--UP

8шт.

32

NSS

WASHER

SN: A48001--UP

8шт.

33

01596-01009

NUT

SN: A48001--UP

8шт.

34

NSS

WASHER

SN: A48001--UP

8шт.

35

01010-81025

BOLT

SN: A48001--UP

4шт.

36

NSS

WASHER

SN: A48001--UP

4шт.

Выбрано товаров: 37