Качественные детали и логистика
Оригинальные и аналоговые запчасти с доставкой по России, Казахстану и Беларуси
©2022 PartSell ООО "Система" ИНН 2463123282 ОГРН 1212400004838
Центральный офис: г. Красноярск, Академика Киренского, д.87, пом.4
Телефон: 8 (800) 777-65-74 Email: zakaz@partsell.ru
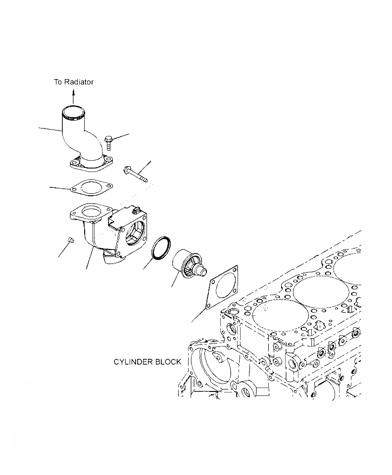
A9-B7A ТЕРМОСТАТ И КОЖУХ
№
Артикул
Название
Примечание
Количество
1
6251-21-6410
HOUSING
1шт.
2
6150-22-6490
GASKET
3
01437-01065
BOLT
4шт.
4
02720-20204
PLUG, TAPERED
5
600-421-6630
THERMOSTAT
6
6162-13-6440
SEAL
7
6251-61-6270
CONNECTOR
8
6210-61-6441
9
01435-01025
2шт.
Выбрано товаров: 0