Качественные детали и логистика
Оригинальные и аналоговые запчасти с доставкой по России, Казахстану и Беларуси
©2022 PartSell ООО "Система" ИНН 2463123282 ОГРН 1212400004838
Центральный офис: г. Красноярск, Академика Киренского, д.87, пом.4
Телефон: 8 (800) 777-65-74 Email: zakaz@partsell.ru
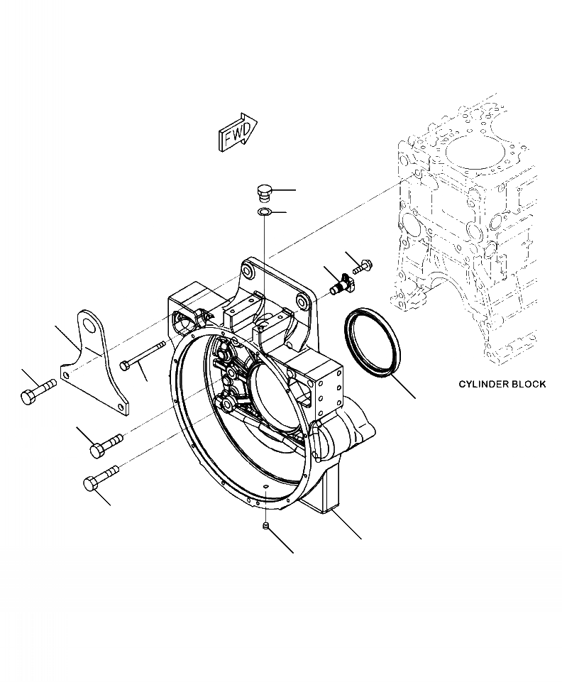
A8-B7A КАРТЕР МАХОВИКА
№
Артикул
Название
Примечание
Количество
1
6251-21-4141
HOUSING, FLYWHEEL
1шт.
2
07043-70211
PLUG
3
01010-61650
BOLT
6шт.
4
01010-61660
2шт.
5
01011-81030
6
6151-21-4161
SEAL, REAR
7
6150-21-3930
PLATE, HANGER
8
9
6261-81-2901
SENSOR ASSEMBLY, SPEED
10
01435-00820
11
6114-11-8910
12
07005-02216
GASKET
Выбрано товаров: 0