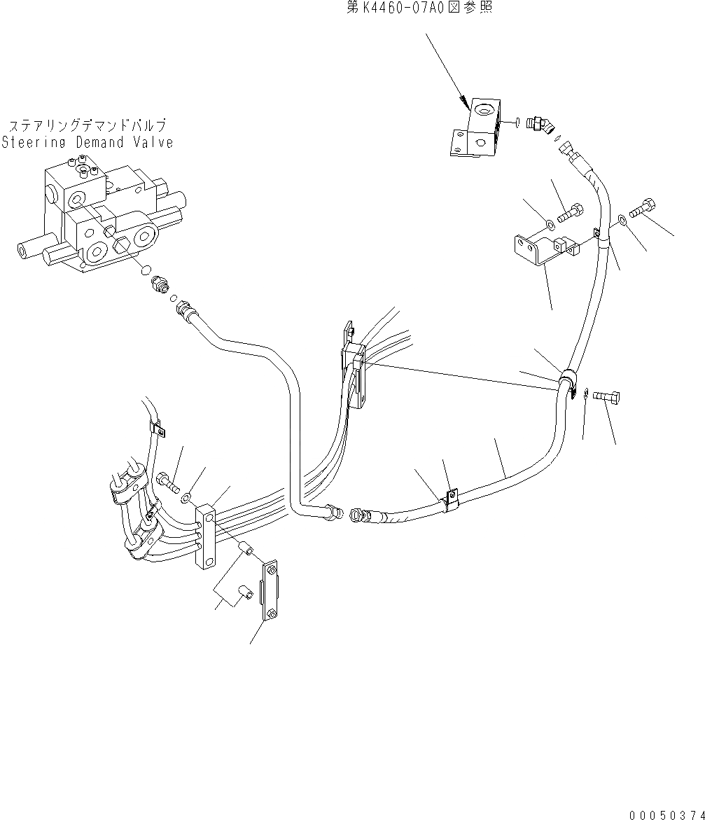
Запчасти Komatsu WA480-6 ГИДРОЛИНИЯ (РУЛЕВ. УПРАВЛЕНИЕ ВОЗВРАТН. ЛИНИЯ) H ГИДРАВЛИКА

Схема запчастей Komatsu WA480-6 - ГИДРОЛИНИЯ (РУЛЕВ. УПРАВЛЕНИЕ ВОЗВРАТН. ЛИНИЯ) H ГИДРАВЛИКА
11
12
9
10
8
5
4
1
7
6
3
2
13
16
18
17
15
14
\SEE FIG. K4460-07A0
FIT
1:1
100%

Артикул

Название

Примечание

Количество

1

421-62-42191

HOSE, 1530MM

SN: H60051-UP

1шт.

2

04434-52711

CLIP

SN: H60051-UP

1шт.

3

07095-20420

CUSHION

SN: H60051-UP

1шт.

4

04434-52711

CLIP

SN: H60051-UP

1шт.

5

07095-20420

CUSHION

SN: H60051-UP

1шт.

6

01010-81025

BOLT

SN: H60051-UP

2шт.

7

01643-31032

WASHER

SN: H60051-UP

2шт.

8

423-62-43221

PLATE

SN: H60051-UP

1шт.

9

423-62-34981

RUBBER

SN: H60051-UP

1шт.

10

418-62-23790

SPACER

SN: H60051-UP

2шт.

11

01010-81055

BOLT

SN: H60051-UP

2шт.

12

01643-31032

WASHER

SN: H60051-UP

2шт.

13

421-62-45180

BRACKET

SN: H60051-UP

1шт.

14

01010-81020

BOLT

SN: H60051-UP

2шт.

15

01643-31032

WASHER

SN: H60051-UP

2шт.

16

04434-52110

CLIP

SN: H60051-UP

1шт.

17

01010-81020

BOLT

SN: H60051-UP

1шт.

18

01643-31032

WASHER

SN: H60051-UP

1шт.

\SEE FIG. K4460-

SEE FIG. K4460-07A0

-1шт.

Выбрано товаров: 19