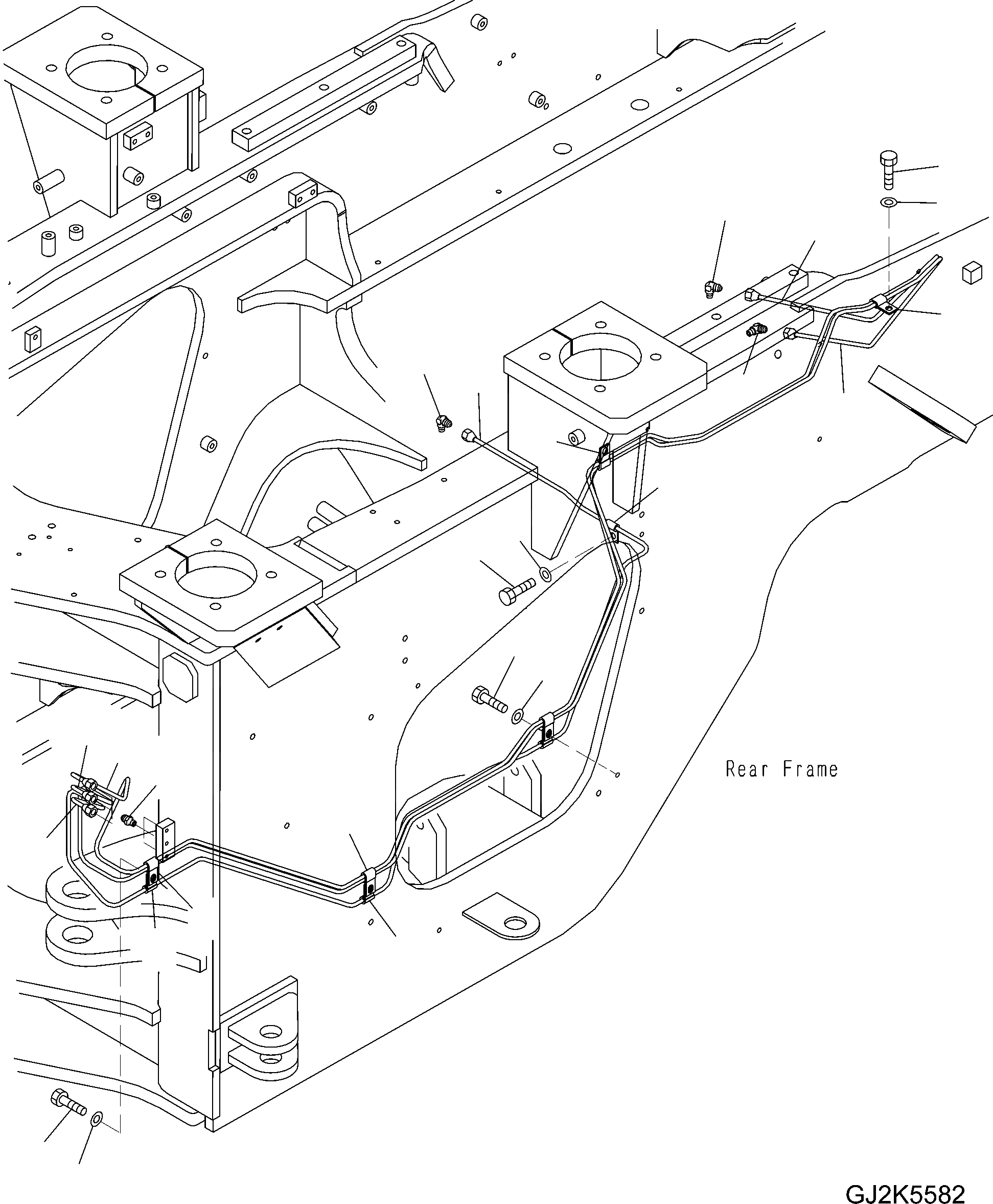
Запчасти Komatsu WA480-6 CENTRAL СМАЗКА (ЗАДН. РАМА) J ОСНОВНАЯ РАМА И ЕЕ ЧАСТИ

Схема запчастей Komatsu WA480-6 - CENTRAL СМАЗКА (ЗАДН. РАМА) J ОСНОВНАЯ РАМА И ЕЕ ЧАСТИ
7
8
11
1
2
4
4
6
4
3
11
8
7
9
10
6
11
7
8
3
11
6
2
1
5
FIT
1:1
100%

Артикул

Название

Примечание

Количество

1

421-S96-H170

TUBE

SN: H60051-UP

1шт.

2

421-S96-H160

TUBE

SN: H60051-UP

1шт.

3

421-S96-H150

TUBE

SN: H60051-UP

1шт.

4

421-09-12540

ELBOW

SN: H60051-UP

3шт.

5

423-09-12110

CONNECTOR

SN: H60051-UP

3шт.

6

04434-50610

CLIP

SN: H60051-UP

2шт.

7

01010-81025

BOLT

SN: H60051-UP

2шт.

8

01643-31032

WASHER

SN: H60051-UP

2шт.

9

01010-81025

BOLT

SN: H60051-UP

2шт.

10

01643-31032

WASHER

SN: H60051-UP

2шт.

11

04434-51310

CLIP

SN: H60051-UP

2шт.

Выбрано товаров: 11