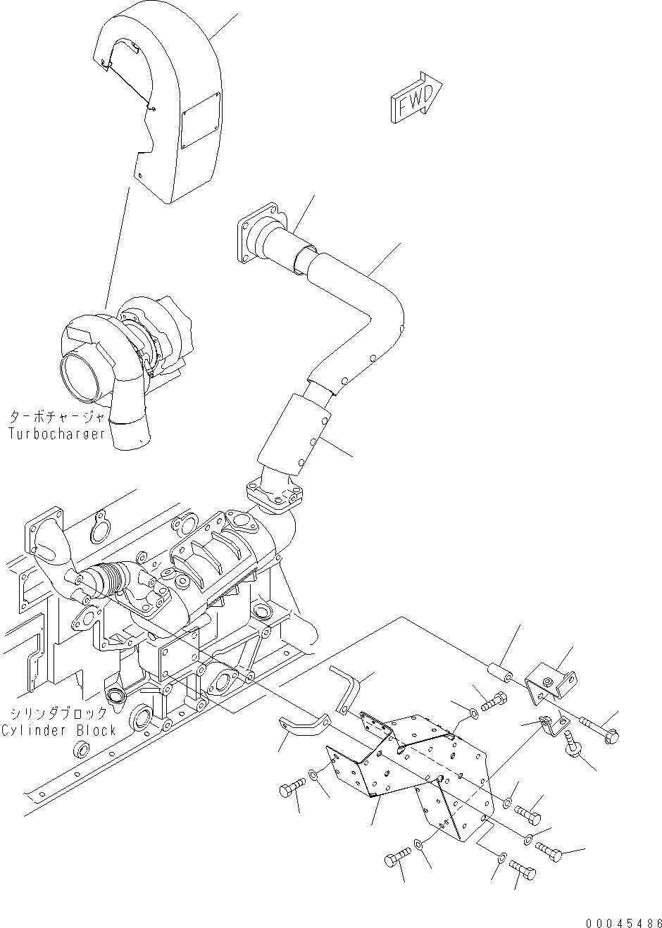
Запчасти Komatsu WA480-6 ТЕРМОЗАЩИТА AA ДВИГАТЕЛЬ

Схема запчастей Komatsu WA480-6 - ТЕРМОЗАЩИТА AA ДВИГАТЕЛЬ
18
17
16
15
12
9
11
1
9
11
14
8
10
11
10
11
6
4
5
2
3
13
11
7
FIT
1:1
100%

Артикул

Название

Примечание

Количество

1

6251-11-6110

COVER, HEAT SHIELD

SN: 560383-UP

1шт.

2

6251-11-6380

BRACKET

SN: 560383-UP

1шт.

3

6152-51-5520

SPACER

SN: 560383-UP

2шт.

4

01435-01075

BOLT

SN: 560383-UP

2шт.

5

6934-71-5860

BRACKET

SN: 560383-UP

1шт.

6

01435-01025

BOLT

SN: 560383-UP

1шт.

7

6251-11-6480

BRACKET

SN: 560383-UP

1шт.

8

01010-E1025

BOLT

SN: 560383-UP

1шт.

9

01010-E1025

BOLT

SN: 560383-UP

2шт.

10

01010-E1030

BOLT

SN: 560383-UP

4шт.

11

01643-31032

WASHER

SN: 560383-UP

7шт.

12

6251-11-6570

BRACKET

SN: 560383-UP

1шт.

13

01010-E1025

BOLT

SN: 560383-UP

1шт.

14

01643-31032

WASHER

SN: 560383-UP

1шт.

15

6251-11-6611

COVER, HEAT SHIELD

SN: 560383-UP

1шт.

16

6251-11-6620

COVER, HEAT SHIELD

SN: 560383-UP

1шт.

17

6251-11-6640

COVER, HEAT SHIELD

SN: 560383-UP

1шт.

18

6251-11-5460

COVER, TURBOCHARGER

SN: 560383-UP

1шт.

Выбрано товаров: 18