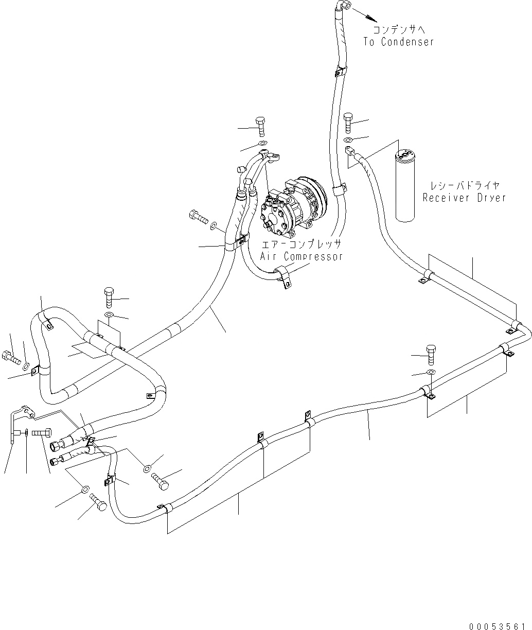
Запчасти Komatsu WA480-6 КОНДИЦ. ВОЗДУХА (КРЕПЛЕНИЕ КОНДЕНСАТОРА) K OPERATORґS ОБСТАНОВКА И СИСТЕМА УПРАВЛЕНИЯ

Схема запчастей Komatsu WA480-6 - КОНДИЦ. ВОЗДУХА (КРЕПЛЕНИЕ КОНДЕНСАТОРА) K OPERATORґS ОБСТАНОВКА И СИСТЕМА УПРАВЛЕНИЯ
5
6
4
4
4
4
5
6
1
4
2
3
13
14
15
15
16
17
12
15
15
19
18
15
9
11
10
8
7
FIT
1:1
100%

Артикул

Название

Примечание

Количество

1

421-S62-4140

HOSE

SN: H60051-H60469

1шт.

|$2

AN51439-D0051

O-RING

SN: H60051-@

2шт.

2

01016-50830

BOLT

SN: H60051-@

1шт.

3

01643-30823

WASHER

SN: H60051-@

1шт.

4

04434-52712

CLIP

SN: H60051-H60469

6шт.

5

01010-81020

BOLT

SN: H60051-@

5шт.

6

01643-31032

WASHER

SN: H60051-@

5шт.

7

01010-81025

BOLT

SN: H60051-@

1шт.

8

01643-31032

WASHER

SN: H60051-@

1шт.

9

421-S62-4240

BRACKET

SN: H60051-H60469

1шт.

10

01010-81025

BOLT

SN: H60051-@

2шт.

11

01643-31032

WASHER

SN: H60051-@

2шт.

12

421-S62-4170

HOSE

SN: H60051-H60469

1шт.

|$14

AN51439-D0031

O-RING

SN: H60051-@

2шт.

13

01010-80630

BOLT

SN: H60051-@

1шт.

14

01643-30623

WASHER

SN: H60051-@

1шт.

15

04434-51910

CLIP

SN: H60051-@

9шт.

16

01010-81020

BOLT

SN: H60051-@

7шт.

17

01643-31032

WASHER

SN: H60051-@

7шт.

18

01010-81025

BOLT

SN: H60051-@

1шт.

19

01643-31032

WASHER

SN: H60051-@

1шт.

Выбрано товаров: 0