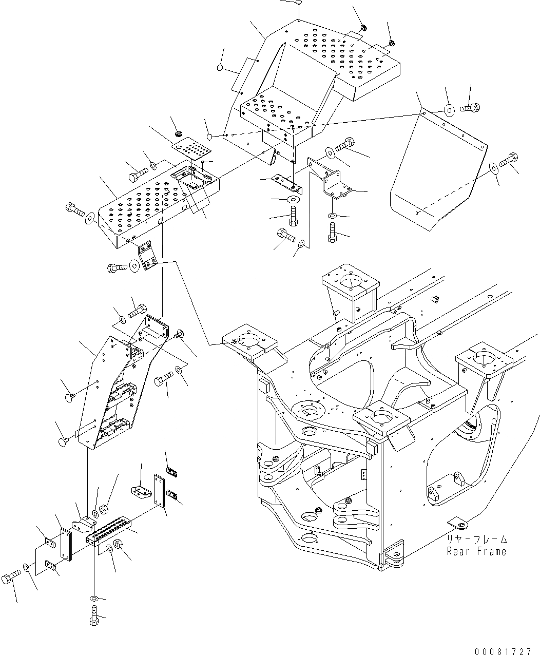
Запчасти Komatsu WA480-6 ЛЕСТНИЦА (ПОЛ RHS) M ЧАСТИ КОРПУСА

Схема запчастей Komatsu WA480-6 - ЛЕСТНИЦА (ПОЛ RHS) M ЧАСТИ КОРПУСА
31
32
30
35
36
34
33
26
29
30
30
29
27
34
33
28
30
25
24
21
23
22
22
23
24
1
3
4
1
15
17
14
16
13
12
11
9
10
7
8
6
12
11
17
2
17
5
5
18
20
19
20
19
FIT
1:1
100%

Артикул

Название

Примечание

Количество

1

421-54-44582

FLOOR, RHS

SN: H60082-@

1шт.

|$2

421-54-44580

FLOOR, RHS

SN: H60051-H60081

1шт.

|$3

423-54-44390

HINGE

SN: H60051-@

2шт.

2

421-54-44451

FLOOR, RHS

SN: H60051-@

1шт.

3

01010-81230

BOLT

SN: H60051-@

4шт.

4

01643-31232

WASHER

SN: H60051-@

4шт.

5

421-54-22990

PLUG

SN: H60051-@

4шт.

6

423-54-41330

BRACKET, RHS

SN: H60051-@

1шт.

7

01010-D1235

BOLT

SN: H60051-@

4шт.

8

01643-71232

WASHER

SN: H60051-@

4шт.

9

01010-D1230

BOLT

SN: H60051-@

2шт.

10

01643-71232

WASHER

SN: H60051-@

2шт.

11

01010-D1230

BOLT

SN: H60051-@

4шт.

12

421-03-31590

WASHER

SN: H60051-@

4шт.

13

423-54-44140

BRACKET

SN: H60051-@

1шт.

14

09415-00506

CAP

SN: H60051-@

1шт.

15

08037-02512

GROMMET

SN: H60051-@

1шт.

16

418-54-22190

CUSHION

SN: H60051-@

3шт.

17

426-56-21990

CAP

SN: H60051-@

4шт.

18

421-54-44150

SHEET, RHS

SN: H60051-@

1шт.

19

01010-81025

BOLT

SN: H60051-H60469

5шт.

20

01643-31032

WASHER

SN: H60051-@

5шт.

21

421-54-44861

LADDER

SN: H60384-@

1шт.

|$24

423-54-44850

LADDER

SN: H60051-H60383

1шт.

22

01010-D1235

BOLT

SN: H60051-@

4шт.

23

01643-71232

WASHER

SN: H60051-@

4шт.

24

22L-46-12150

CAP

SN: H60051-@

4шт.

25

416-54-34230

PLUG

SN: H60051-@

2шт.

26

421-54-34611

STEP

SN: H60051-@

1шт.

27

424-54-44861

PLATE

SN: H60051-@

1шт.

28

424-54-44951

PLATE

SN: H60051-@

1шт.

29

421-54-44392

RUBBER

SN: H60384-@

2шт.

|$33

421-54-44390

RUBBER

SN: H60051-H60383

2шт.

30

428-T86-1650

PLATE

SN: H60051-@

4шт.

31

01010-D1055

BOLT

SN: H60051-@

8шт.

32

01643-71032

WASHER

SN: H60051-@

8шт.

33

01596-01009

NUT

SN: H60051-@

8шт.

34

01643-71032

WASHER

SN: H60051-@

8шт.

35

01010-D1025

BOLT

SN: H60051-@

4шт.

36

01643-71032

WASHER

SN: H60051-@

4шт.

Выбрано товаров: 40